EasyManua.ls Logo

hurlcon MX 125 - MX Series (Except MX 500)

hurlcon MX 125
24 pages
Print Icon
To Next Page IconTo Next Page
To Next Page IconTo Next Page
To Previous Page IconTo Previous Page
To Previous Page IconTo Previous Page
Loading...
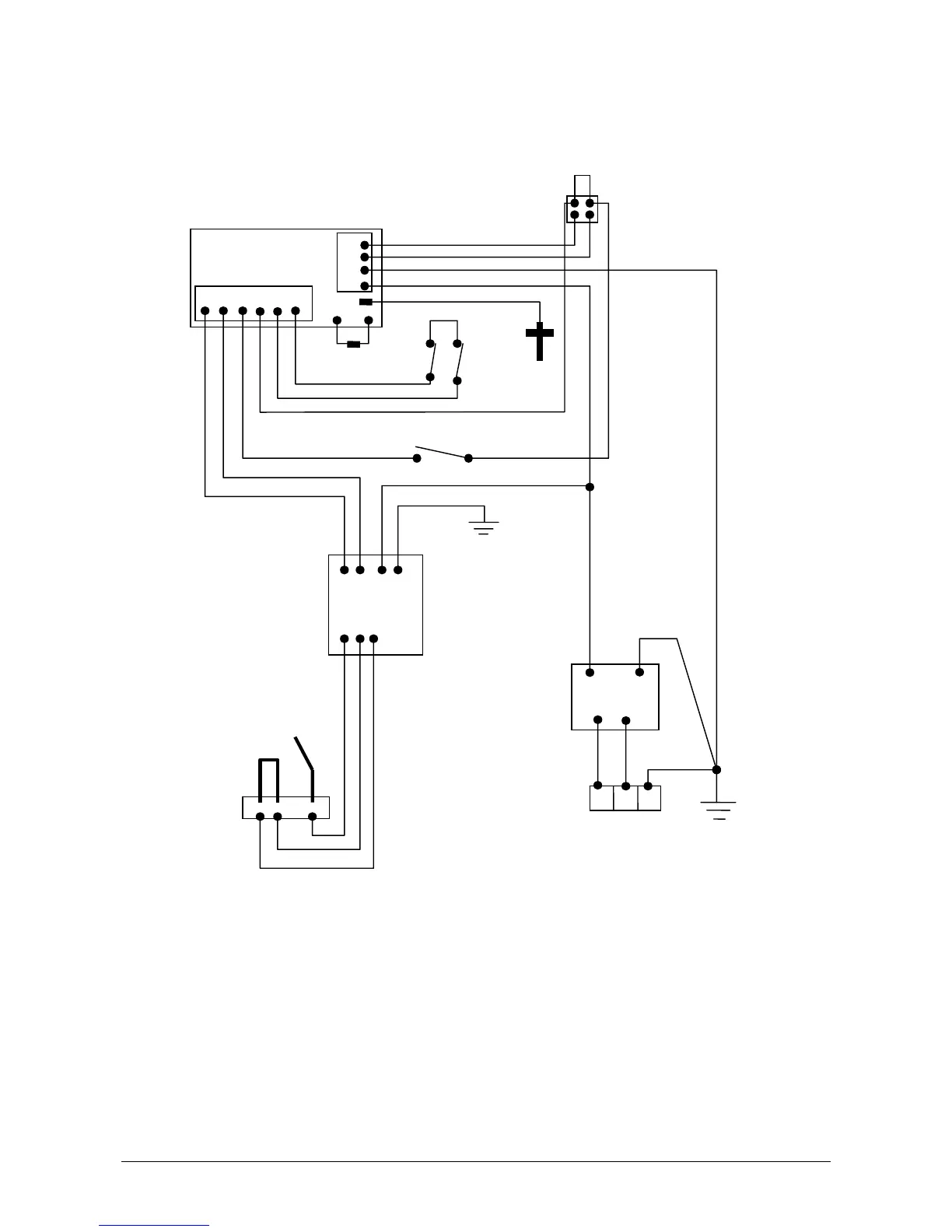
MX Pool and Spa Heater Page 19
MX SERIES WIRING DIAGRAM
(MX 125,150,200.250,300,400)
Hi Limit
N/C 45˚
Hi Limit
N/C 55˚
A
N
E
Transformer
Pressure Switch
N/O
Genus IV Thermostat
Sensor
4 Pin Plug
Ignitor/Flame sensor
Violet
Brown
Jack
Earth Post
6 Pin Plug
Gas valve
Brown
Green/Yellow
Orange
White
Flame
Rollout
Sensor