EasyManua.ls Logo

hurlcon MX 125 - MX 500 - RAM Ignition Control

hurlcon MX 125
24 pages
Print Icon
To Next Page IconTo Next Page
To Next Page IconTo Next Page
To Previous Page IconTo Previous Page
To Previous Page IconTo Previous Page
Loading...
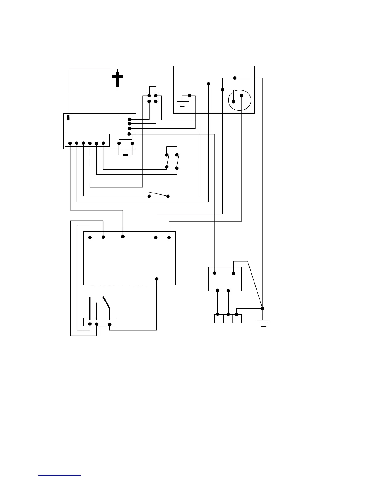
MX Pool and Spa Heater Page 21
MX 500 WIRING DIAGRAM
(RAM Ignition Control)
Hi Limit
N/C 45˚
Hi Limit
N/C 55˚
A
N
E
Transformer
RAM Module 5EM7-01
Ignitor
Valve
24 V Return
Main Valve
Power
Flame Sense
TH
TR
D-
D+
Genus IV Thermostat
Sensor
6 Pin Plug
4 Pin Plug
Combination Valve
Ignition Block
Violet
Brown
Green/Yellow
Jack
Earth Post
Pressure Switch
N/O
Flame
Rollout
Sensor