EasyManua.ls Logo

HUSABERG E 400 e - Electrical System Diagrams (FC;FX Starter & FC;FS Kick-starter)

HUSABERG E 400 e
34 pages
Print Icon
To Previous Page IconTo Previous Page
To Previous Page IconTo Previous Page
Loading...
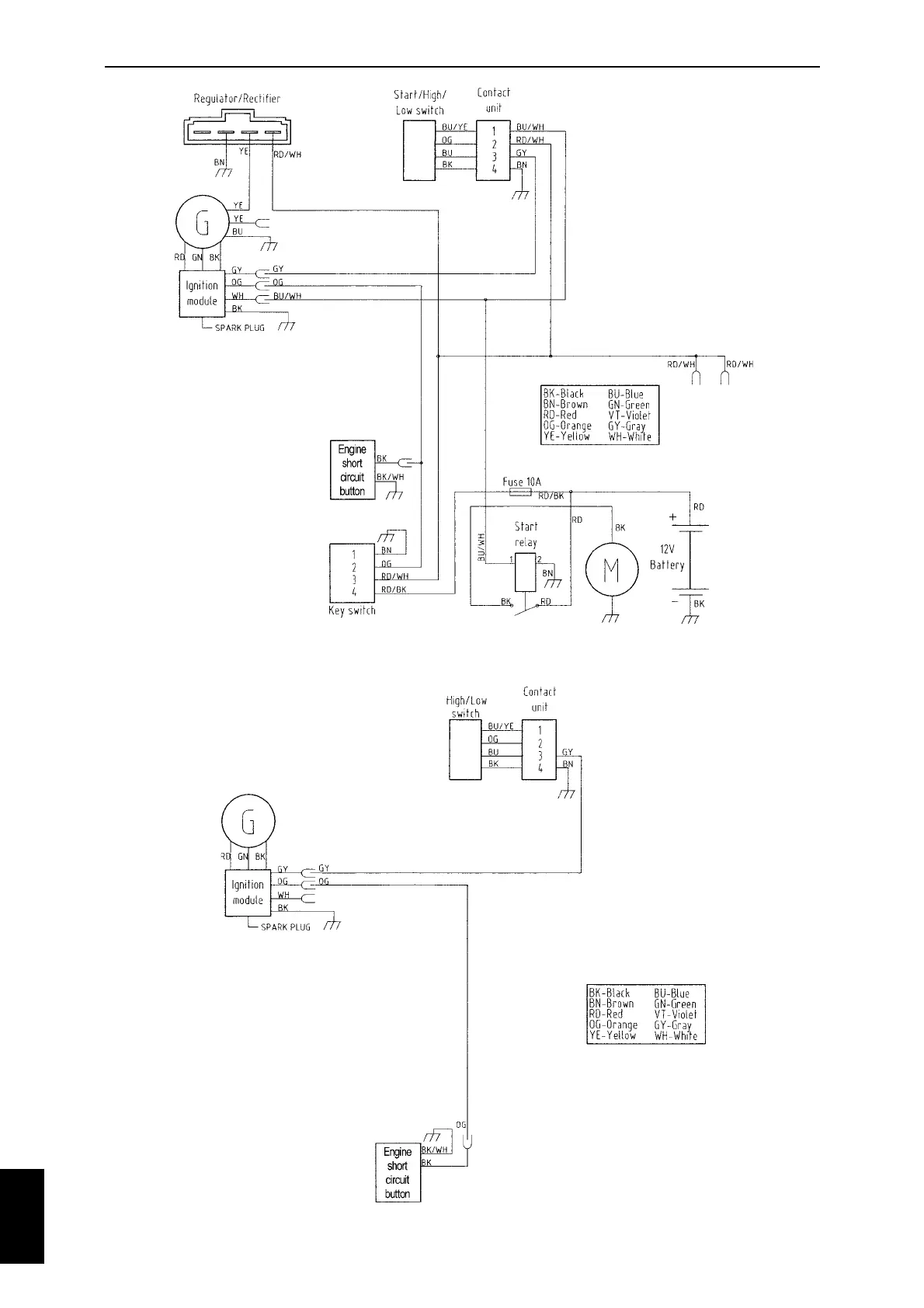
WIRING DIAGRAMS
34
12
FC and FX electrical starter models
FC and FS kick-starter models
12

Related product manuals