EasyManua.ls Logo

HUSABERG FS 650 E/6 - Wiring Diagrams; FC 04 Wiring Diagram

HUSABERG FS 650 E/6
116 pages
Print Icon
To Next Page IconTo Next Page
To Next Page IconTo Next Page
To Previous Page IconTo Previous Page
To Previous Page IconTo Previous Page
Loading...
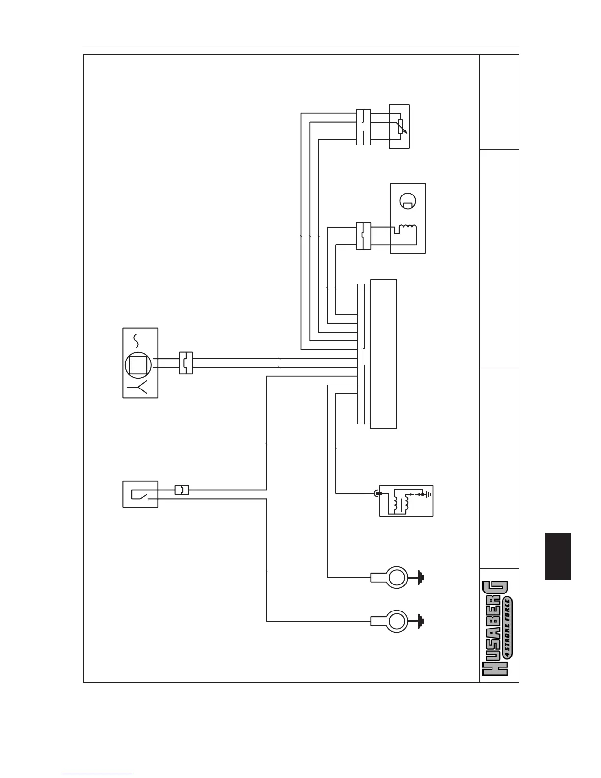
WIRING DIAGRAMS
K
1
Husaberg FC 04
G
3
red-black
yellow
blue
green
black
generator
ignition coil
800.11.075.300
throttle position sensor
pick up
I
D
C
stop button
yellow-blackblack
brown
red
blue-white
red-white

Table of Contents

Related product manuals