EasyManua.ls Logo

HUSABERG FS 650 E/6 - FS 04 Wiring Diagram

HUSABERG FS 650 E/6
116 pages
Print Icon
To Next Page IconTo Next Page
To Next Page IconTo Next Page
To Previous Page IconTo Previous Page
To Previous Page IconTo Previous Page
Loading...
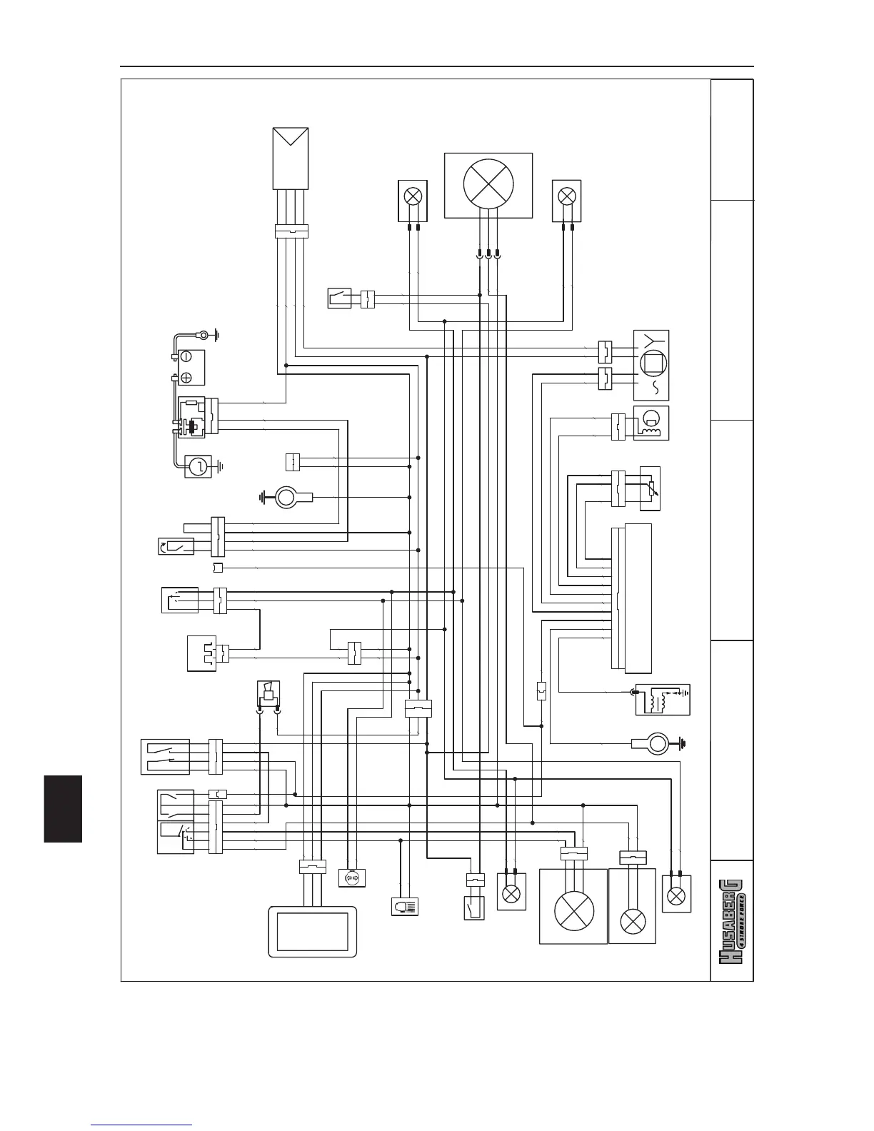
WIRING DIAGRAMS
K
6
bl
stop buttonhorn switch
br
high/low beam switch
horn
br
front
brake switch
black
ye-bl
br
start bottom
bu-wh
re-wh
re-bl
multi-func.-digital-speedometer
gn
regulator-rectifier
ignition coil
U
re
bl
flasher control lamp
driving light lamp
ye
headlight
generator
position light
left rear flasher
G
3
bu
bu
right rear flasher
right front flasher
ye
left front flasher
bl
re
rear
brake switch
TPS
pick up
flasher switch
wh
gn
I
D
C
ye
ye-re
re-bl
re-wh
bl
M
A
starter motor
start relay battery
10
24.03.2003
800.11.075.150
main harness
wiring diagramm
Husaberg FS 04
800.11.077.000
cooling fan
ye
ye-bl ye-bl
ye
ye-re
br
br
ye-re
br
ye-re
ye-re
re
gn
bu
pu
rear light/brakelight
br
wh
br
br
ignition switch harness
bl
br
wh-gn
ye
bu
br
bl
wh-re
pu
br-bl
ye-re
ye-re
br
wh
flasher relay
bu
gn
ye
ignition switch
re
br
br
ye
ye
ye-re
or
bl
pu
or
ye-re
wh-re
G
bl
br
br
ye-re
br
wh-gn
ye
ye-bl
wh
ye-bl
ye-bl
br
bl-wh
pu
br
br
wh
gn-wh

Table of Contents

Related product manuals