EasyManua.ls Logo

Hussmann ASC-L - Page 21

Hussmann ASC-L
26 pages
Print Icon
To Next Page IconTo Next Page
To Next Page IconTo Next Page
To Previous Page IconTo Previous Page
To Previous Page IconTo Previous Page
Loading...
Rev. 0308
21
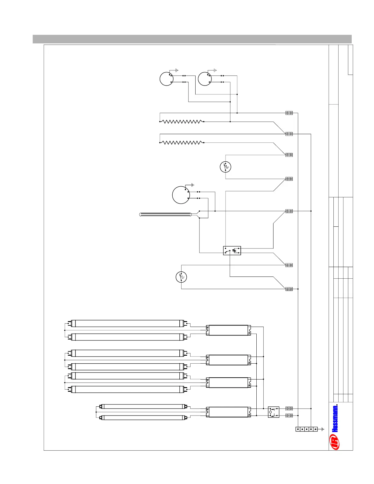
Electrical Schematics (Cont.)
DATE:
PROJECT TITLE:
DRAWING #:
DRAWN BY:
PRODUCTION ORDER #:
DRAWING TITLE:
DATE:
REVISIONS:
#: DESCRIPTION:
CHECKED BY:
BY:
FILE LOCATION:
ADRIAN E. CRISCI
AEC
PAGE OF
Hussmann Corporation, Int'l.
13770 Ramona Avenue
Chino, CA. 91710
(909)-590-4910 Lic.#: 644406
11
07/13/01
1
2
3
H:\WIRESCHEMATICS\NEW-WIRING
ASC-L CASES
W0150012
8' FROZEN CASE - KOOLGAS™ DEFROST
BALLAST 125-01-3266
FULHAM LH3-120-L
L1
L2
L3
N
G
L
LEDGE LIGHTS
(2) FP28T5/830
BALLAST 125-01-3266
FULHAM LH3-120-L
BALLAST 125-01-3266
FULHAM LH3-120-L
CANOPY LIGHTS
(4) F32T8-SPX30
NOSE LIGHTS
(2) F32T8-SPX30
AiR SWEEP FANS
(2) 4½" AXIAL MOTORS
LIGHT SWITCH
REAR CHANNEL
WARMER WIRE
RAYCHEM
10BUT-CR-10W
125-01-0767
10W/FT@~115V
8 FT.
DRAIN HEATER
(1) 240W / ~115 V
POWER REQUIRED : ~115 VAC - 60 Hz. - 1Ø - 3 WIRE
BALLAST 125-01-3266
FULHAM LH3-120-L
DELAY RELAY
MARS 90249Q
225-01-2045
M
M
M
EVAPORATOR FAN
(1) GE 9W - ~115V
AIR SWEEP HEATER
(1) 240W / ~115 V
FAN & HEATER DELAY
KLIXON THERMODISK
3NT-01F-D1460 F35-15
225-01-2046
DRAIN HEATER
SAFETY KLIXON
20420D42-452-362
L48-18
600-22-0050
IJ1
NJ2J3NI