EasyManua.ls Logo

Hussmann LBN - Page 29

Hussmann LBN
32 pages
Print Icon
To Next Page IconTo Next Page
To Next Page IconTo Next Page
To Previous Page IconTo Previous Page
To Previous Page IconTo Previous Page
Loading...
M100-2307
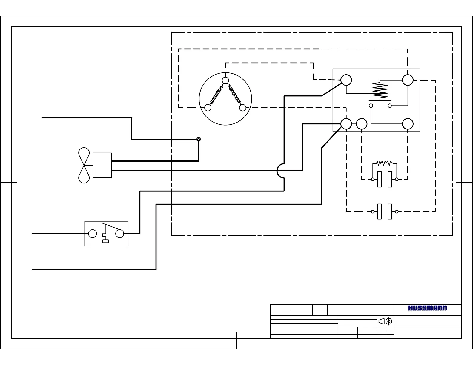
WIRING DIAGRAM
GLOVERSVILLE, NY 12078
REV EO # REV DATE REV BY
APPROVED BY
EO NUMBER
SCALE
SHEET #
DRAWN BY:
DATE DRAWN :
APPROVED BY:
-
JJH
09/08/03
-
INCHES
1 OF 1
--
-
-
-
-
-
-
-
TOLERANCES UNLESS OTHERWISE SPECIFIED: FRACTIONAL 1/32"
DECIMAL 0.031" ANGULAR 1° HOLE LOCATION & SPACING 1/64"
S
C
R
5
4
4
1
2
COND. FAN
TEMP. CONTROL
RELAY ASSY
WHITE
RED
BLACK
START CAP.
RUN CAP.
#2 TIMER
#4 TIMER
N TIMER
WHITE 42
BLACK 43
SHEET 2 OF 2
USAGE: LBN-4 W/HERMETIC COMP. SPECIAL FOR TAIWAN 7-11

Related product manuals