EasyManua.ls Logo

Hydro-Pro 5 - Wiring Diagram Hydro Pro 13

Hydro-Pro 5
29 pages
Print Icon
To Next Page IconTo Next Page
To Next Page IconTo Next Page
To Previous Page IconTo Previous Page
To Previous Page IconTo Previous Page
Loading...
- 12 -
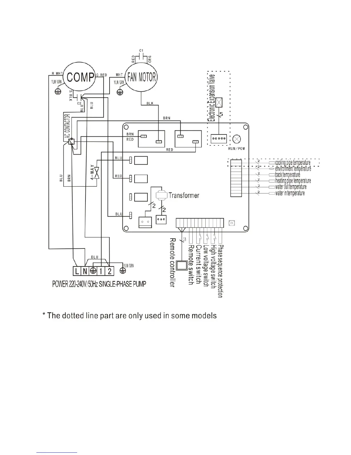
5.2 SWIMMING POOL HEAT PUMP WIRING DIADRA
Hydro Pro 13

Related product manuals