EasyManua.ls Logo

Hydro-Pro 5 - Wiring Diagram Hydro Pro 18;22

Hydro-Pro 5
29 pages
Print Icon
To Next Page IconTo Next Page
To Next Page IconTo Next Page
To Previous Page IconTo Previous Page
To Previous Page IconTo Previous Page
Loading...
- 13 -
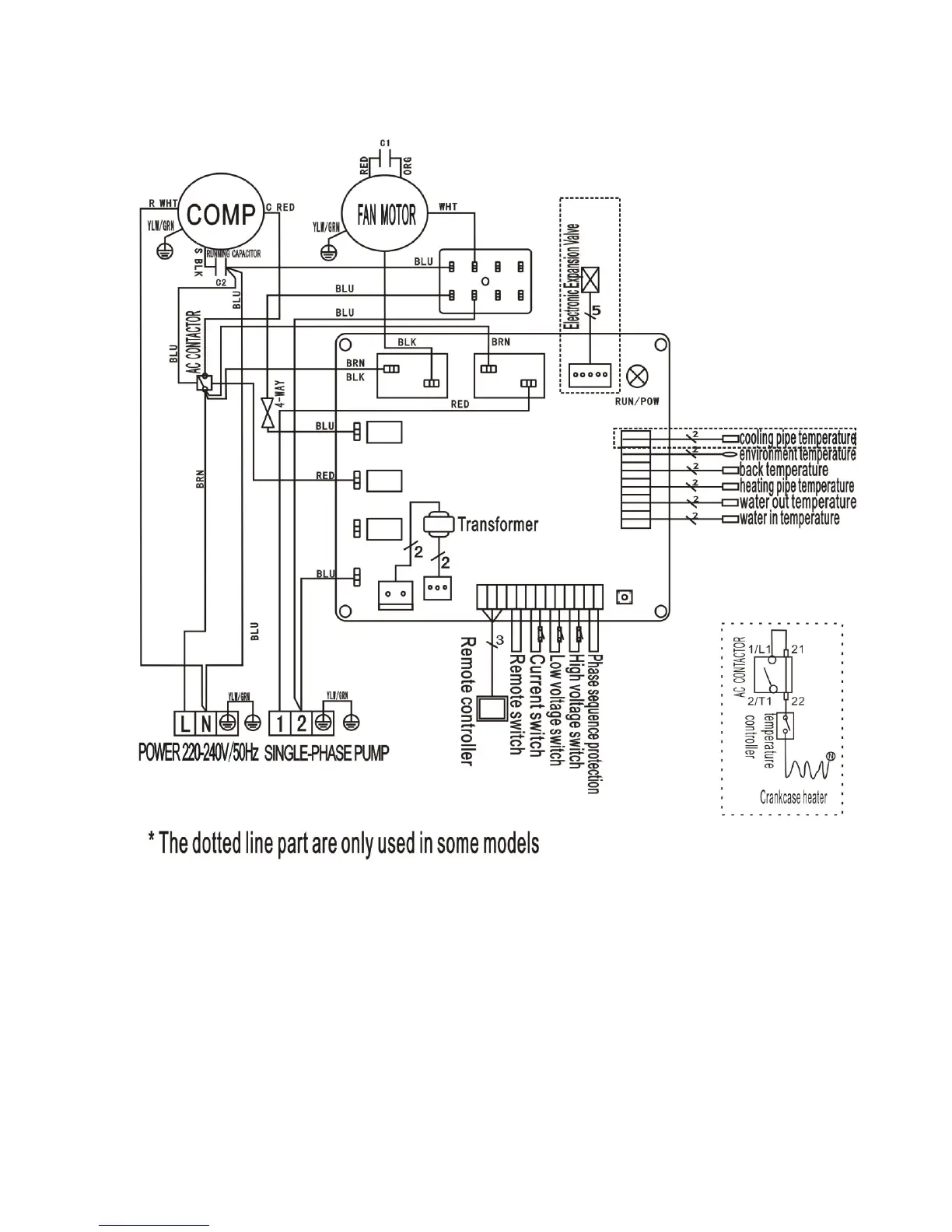
5.3 SWIMMING POOL HEAT PUMP WIRING DIADRA
Hydro Pro 18/22

Related product manuals