EasyManua.ls Logo

Hyster B233 - High Temperature Status Code

Hyster B233
24 pages
Print Icon
To Next Page IconTo Next Page
To Next Page IconTo Next Page
To Previous Page IconTo Previous Page
To Previous Page IconTo Previous Page
Loading...
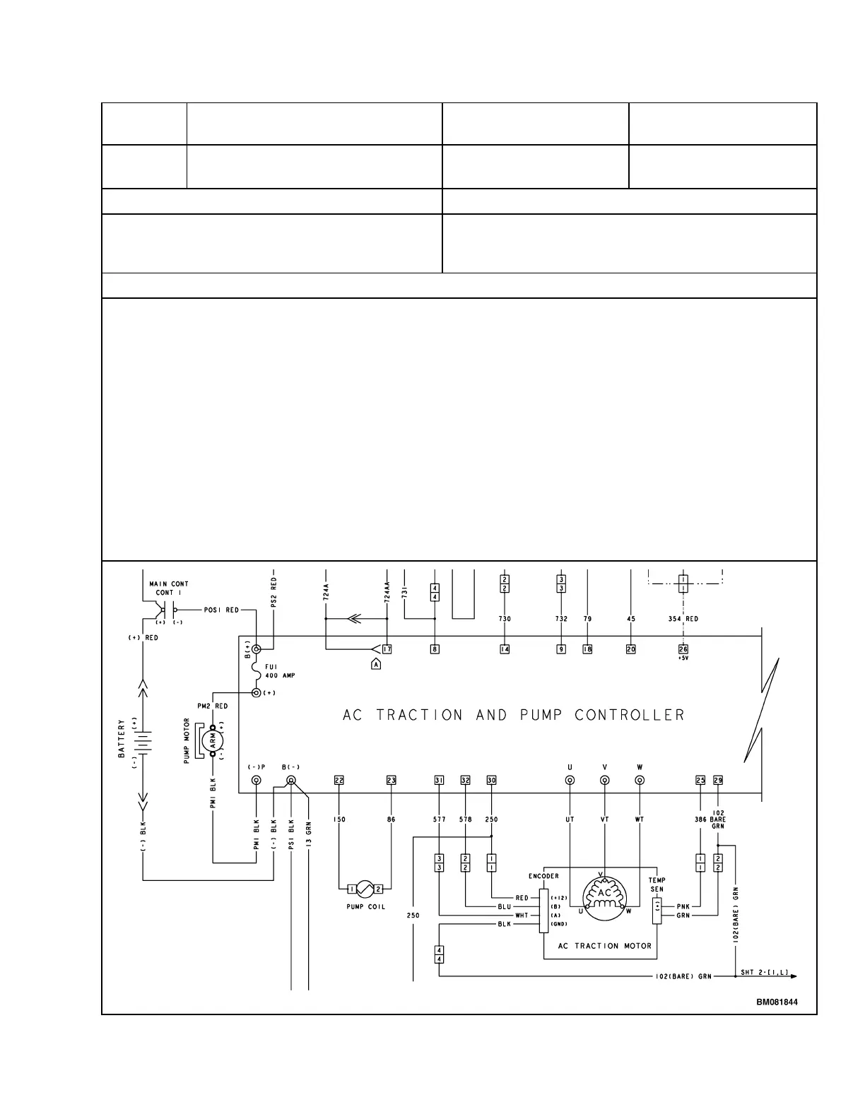
2200 SRM 1286 Troubleshooting
STATUS
CODE
DISPLAY MESSAGE LED CIRCUIT
High
Temp
High Temp Solid Green Motor
DESCRIPTION SYMPTOM
Thermal cut-back due to high motor
temperature or high power bridge
temperature.
Traction system is operating at a reduced
performance level.
Probable Causes and Test Procedures
1. Internal temperature of controller has exceeded 125 C (257 F).
a. Reduce truck usage and allow the controller to cool.
2. Clear fault log in dash display. See User Interface, Service Technician Functions On-Board Dash
Display 2200 SRM 1324.
3. With the traction motor at room temperature, turn the key switch to the OFF position then back to the
ON position and operate the lift truck briefly.
4. Check the dash display to verify fault does not repeat. If fault repeats:
a. Check resistance between pin #1 and pin #2 at the motor temperature sensor connector.
b. Resistance should measure approximately 5.9 ohms ±10% at 25°C (77°F).
Replace sensor.
5. Check for battery voltage on wire #10 at the main contactor.
a. Check continuity of wire #10 between the key switch and the main contactor.
Repair any open wiring.
b. Check for continuity through FU 5.
Replace fuse.
13

Related product manuals