EasyManua.ls Logo

IBM T541 - Page 32

IBM T541
35 pages
Print Icon
To Next Page IconTo Next Page
To Next Page IconTo Next Page
To Previous Page IconTo Previous Page
To Previous Page IconTo Previous Page
Loading...
- 32 -
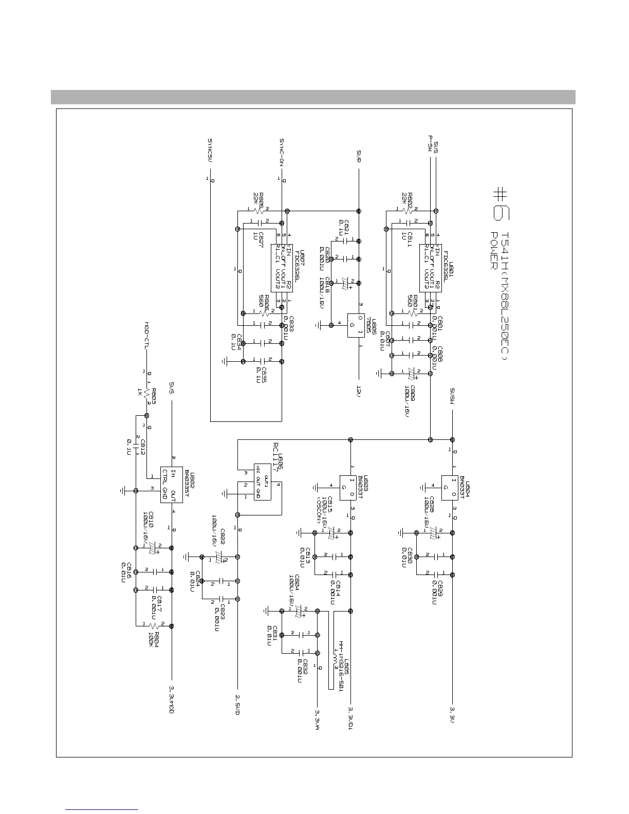
6. KEY PART

Related product manuals