EasyManua.ls Logo

Icar RPC 8BGA - Page 35

Default Icon
40 pages
Print Icon
To Next Page IconTo Next Page
To Next Page IconTo Next Page
To Previous Page IconTo Previous Page
To Previous Page IconTo Previous Page
Loading...
s. 35 / 40
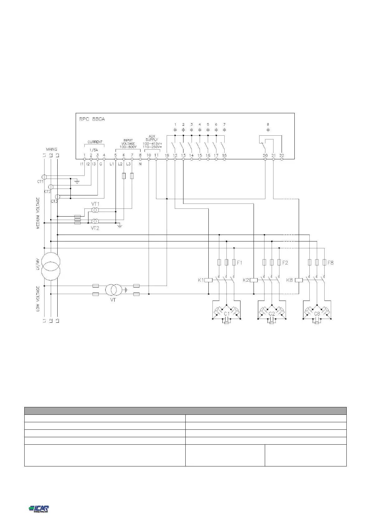
Full MV wiring configuration
Configuration with MV measurement and correction
Voltage measure
3 ph-to-ph voltage reading L1-L2, L2-L3, L3-L1 on MV side
Current measure
L1-L2-L3 phase
Phase angle offset
90°
Capacitor overload current measure
1 reading on L1-L3, LV side
Parameter setting
P02.03 = Three-phase
P02.04 = L1-L2-L3
P02.06 = L1-L2-L3
P02.22 = MV
P02.23 = ON

Other manuals for Icar RPC 8BGA

Related product manuals