EasyManua.ls Logo

Icematic F 120 - Page 38

Icematic F 120
48 pages
Print Icon
To Next Page IconTo Next Page
To Next Page IconTo Next Page
To Previous Page IconTo Previous Page
To Previous Page IconTo Previous Page
Loading...
38
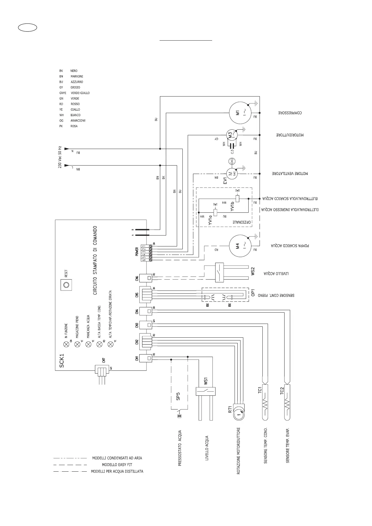
WIRING DIAGRAM F 120 - F 200
Air / water cooled
220-240/50/1

Related product manuals