EasyManua.ls Logo

Icematic F 120 - Service Diagnosis; Troubleshooting Common Issues (Part 2)

Icematic F 120
48 pages
Print Icon
To Next Page IconTo Next Page
To Next Page IconTo Next Page
To Previous Page IconTo Previous Page
To Previous Page IconTo Previous Page
Loading...
41

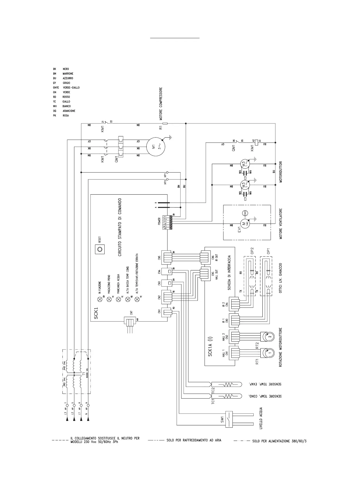
WIRING DIAGRAM SFN 1000
Air / water cooled
400/50/3

Related product manuals