EasyManua.ls Logo

Icematic F 125C - Page 39

Icematic F 125C
48 pages
Print Icon
To Next Page IconTo Next Page
To Next Page IconTo Next Page
To Previous Page IconTo Previous Page
To Previous Page IconTo Previous Page
Loading...
39

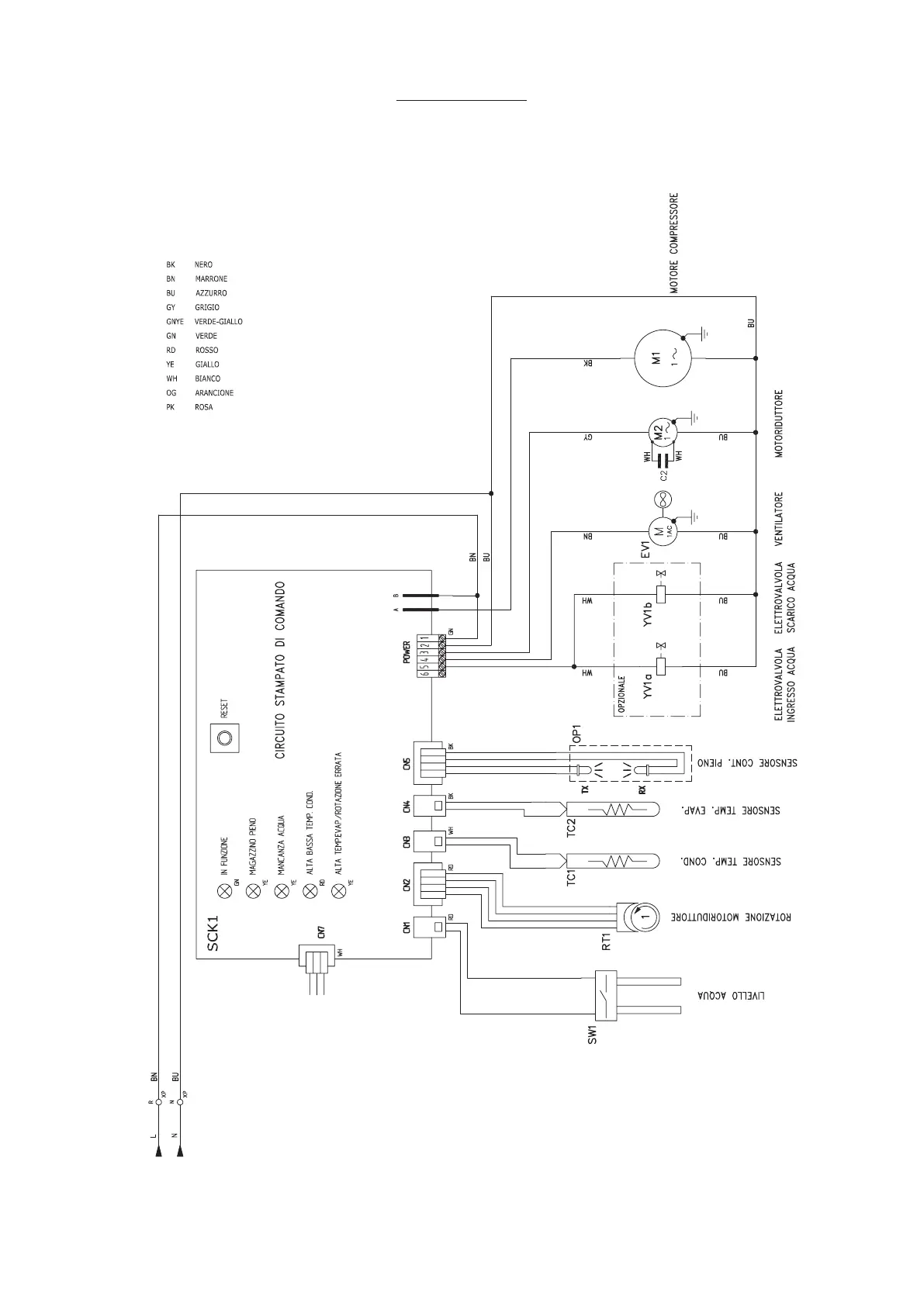
WIRING DIAGRAM SF 300 - SF 500
Air / water cooled
220-240/50/1

Related product manuals