EasyManua.ls Logo

Icom IC-2800 - SECTION 4 CIRCUIT DESCRIPTION (Continued); POWER SUPPLY AND VOLTAGE LINE ANALYSIS

Icom IC-2800
50 pages
Print Icon
To Next Page IconTo Next Page
To Next Page IconTo Next Page
To Previous Page IconTo Previous Page
To Previous Page IconTo Previous Page
Loading...
4 - 5
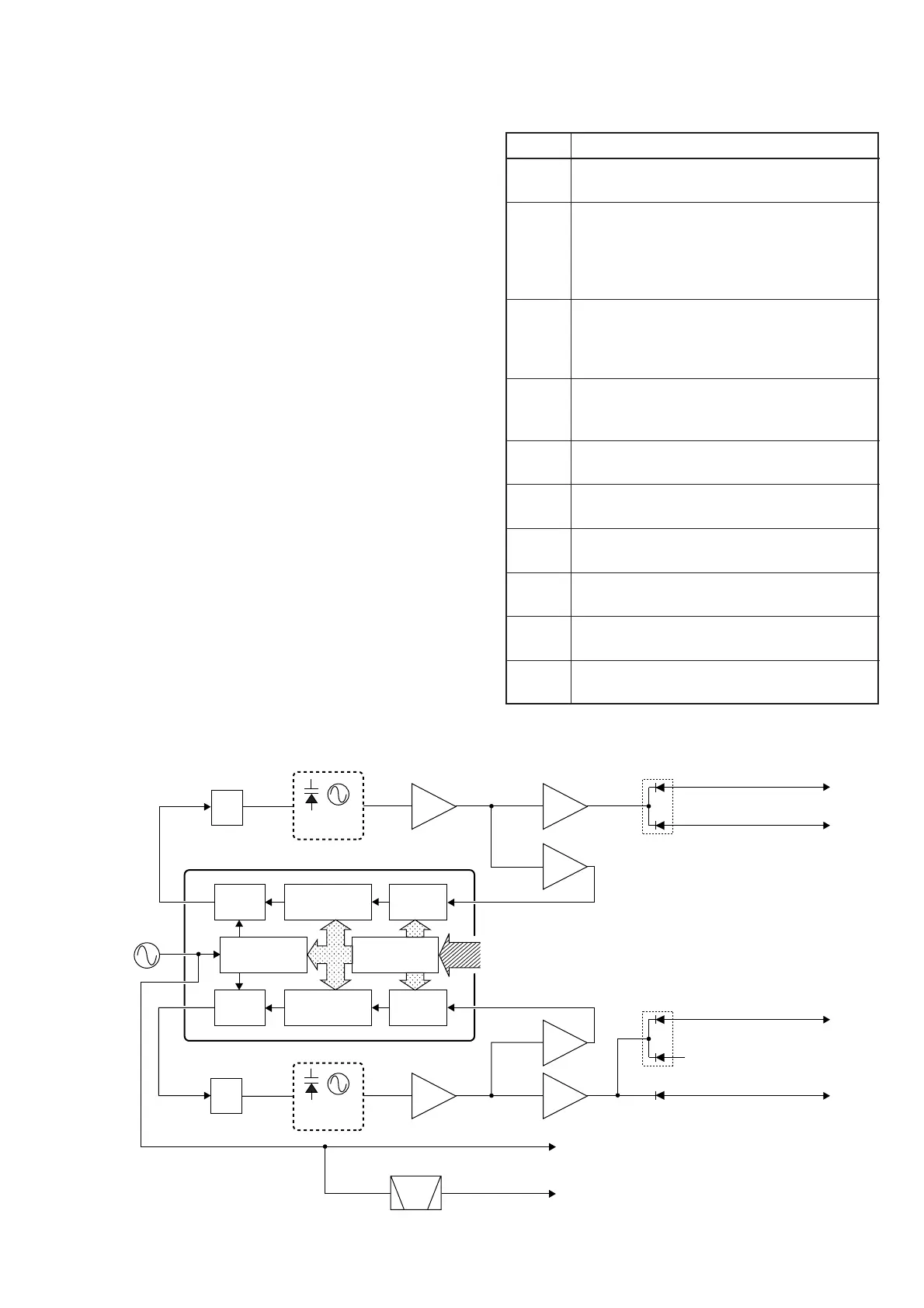
4-3-3 UHF LOOP
The generated signal at the U-VCO (Q20, Q21, D20, D21)
enters the PLL IC (IC2, pin 15) via buffer-amplifiers (Q22,
Q23) and is divided at the programmable divider section and
is then applied to the phase detector section.
The phase detector compares the input signal with a refer-
ence frequency, and then outputs the out-of-phase signal
(pulse-type signal) from pin 13.
The pulse-type signal is converted into DC voltage (lock volt-
age) at the loop filter (Q101, Q102, R538, C481, C483), and
then applied to the U-VCO to stabilize the oscillated frequen-
cy.
4-4 POWER SUPPLY CIRCUITS
• VOLTAGE LINE
Description
The 13.8V external DC power from the power
connector.
The same voltage as the HV line which is con-
trolled by the power switching circuit (Q74, Q75).
When the [POWER] switch is pushed, the CPU
outputs the “PCTRL” control signal to the power
switching circuit to turn the circuit ON.
Common 5 V for the CPU converted from the HV
line by the C5V regulator circuit (IC15). The cir-
cuit outputs the voltage regardless of the power
ON/OFF condition.
Common 5 V produced from the C5V at the
PLL5V regulator circuit (Q13, Q14) using control
signal from 8V line.
Common 8 V converted from the 13.8V line by
the 8V regulator circuit (IC14).
VHF transmit 8 V converted from the 8V line at
the VT8V regulator circuit (Q9, Q10).
UHF transmit 8V converted from the 8V line at
the UT8V regulator circuit (Q25, Q26).
Receive VR8V produced from the 8V line at the
V-BIAS selector (Q34, Q35).
Receive 4R8V produced from the 8V line at the
U-BIAS selector (Q34, Q36).
Receive UR8V produced from the 4R8V line at
the UR8V switching circuit (D28, D29).
Line
HV
13.8V
C5V
PLL5V
8V
VT8V
UT8V
VR8V
4R8V
UR8V
to the FM IF IC (IC28)
6
15
13
19
8
to VHF transmitter circuit
to VHF 1st mixer circuit
D4
• PLL circuit
Loop
filter
Loop
filter
Buffer
Q101, Q102
Q99, Q100
Q6
Buffer
Q7
Buffer
Q8
Q4, Q5, D3
BPF
1
to the FM IF IC (IC8)
to UHF transmitter circuit
to UHF 1st mixer circuit
D23
D22
V-VCO
U-VCO
X1
15.2 MHz
15.2 MHz
45.6 MHz
Shift register/
data latch
PLL IC (IC2)
Prescaler
Phase
detector
Programmable
counter
Prescaler
Phase
detector
Programmable
counter
Programmable
divider
Buffer
Q22
Buffer
Q24
Buffer
Q23
Q20, Q21
D20, D21
2 DATA
3 CK
4 PLSTB
Tripler

Related product manuals