EasyManua.ls Logo

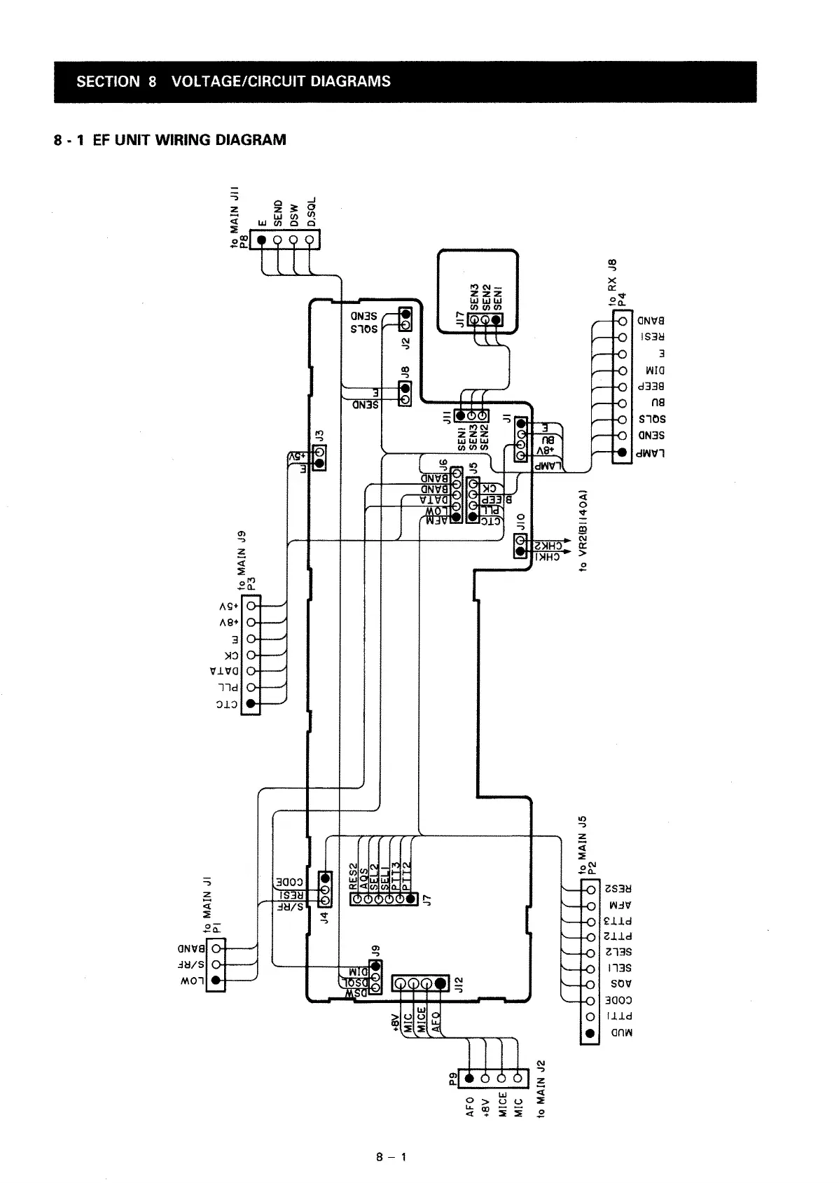
Icom IC-28A - Voltage;CXircuit diagrams

Icom IC-28A
70 pages
Print Icon
To Next Page IconTo Next Page
To Next Page IconTo Next Page
To Previous Page IconTo Previous Page
To Previous Page IconTo Previous Page
Loading...

Related product manuals