EasyManua.ls Logo

Icom IC-3200E - 5-2 MEMORY CHANNEL OPERATION

Icom IC-3200E
91 pages
To Next Page IconTo Next Page
To Next Page IconTo Next Page
To Previous Page IconTo Previous Page
To Previous Page IconTo Previous Page
Loading...
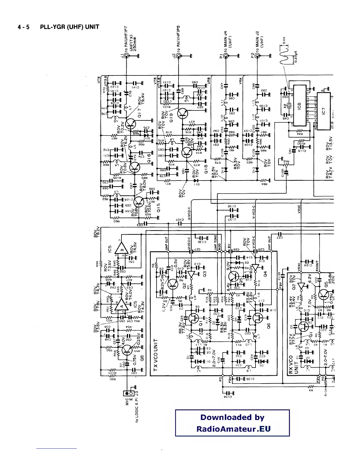
4
-
5
PLL-YGR (UHF)
UNIT
lO
CL
O
O
Downloaded by
RadioAmateur.EU

Other manuals for Icom IC-3200E

Related product manuals