EasyManua.ls Logo

Icom IC-3200E - Page 25

Icom IC-3200E
91 pages
To Next Page IconTo Next Page
To Next Page IconTo Next Page
To Previous Page IconTo Previous Page
To Previous Page IconTo Previous Page
Loading...
loooooooooooooo
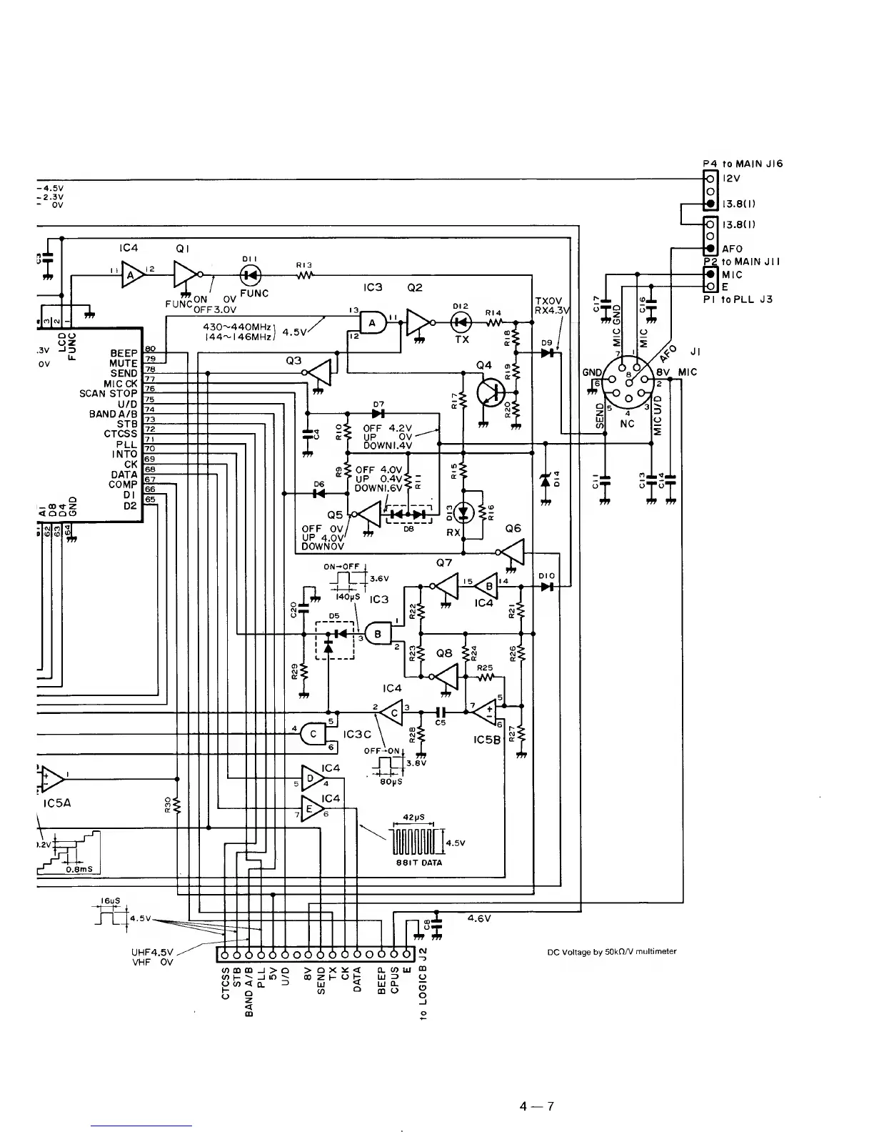
DC Voltage by
50kO/V
multimeter
05
OD
tn _1
>
Q
o)
I—
''
_i m
O
05 <
Q.
o
>
O X
<
00
z
I-
o
t
liJ
35
Q
<
oo
to MAIN JI6
12V
13.8(1)
13.8(1)
AFO
to MAIN Jl I
MIC
E
toPLL J3
4
7

Other manuals for Icom IC-3200E

Related product manuals