EasyManua.ls Logo

Icom IC-4088SR - Block Diagram

Icom IC-4088SR
29 pages
Print Icon
To Next Page IconTo Next Page
To Next Page IconTo Next Page
To Previous Page IconTo Previous Page
To Previous Page IconTo Previous Page
Loading...
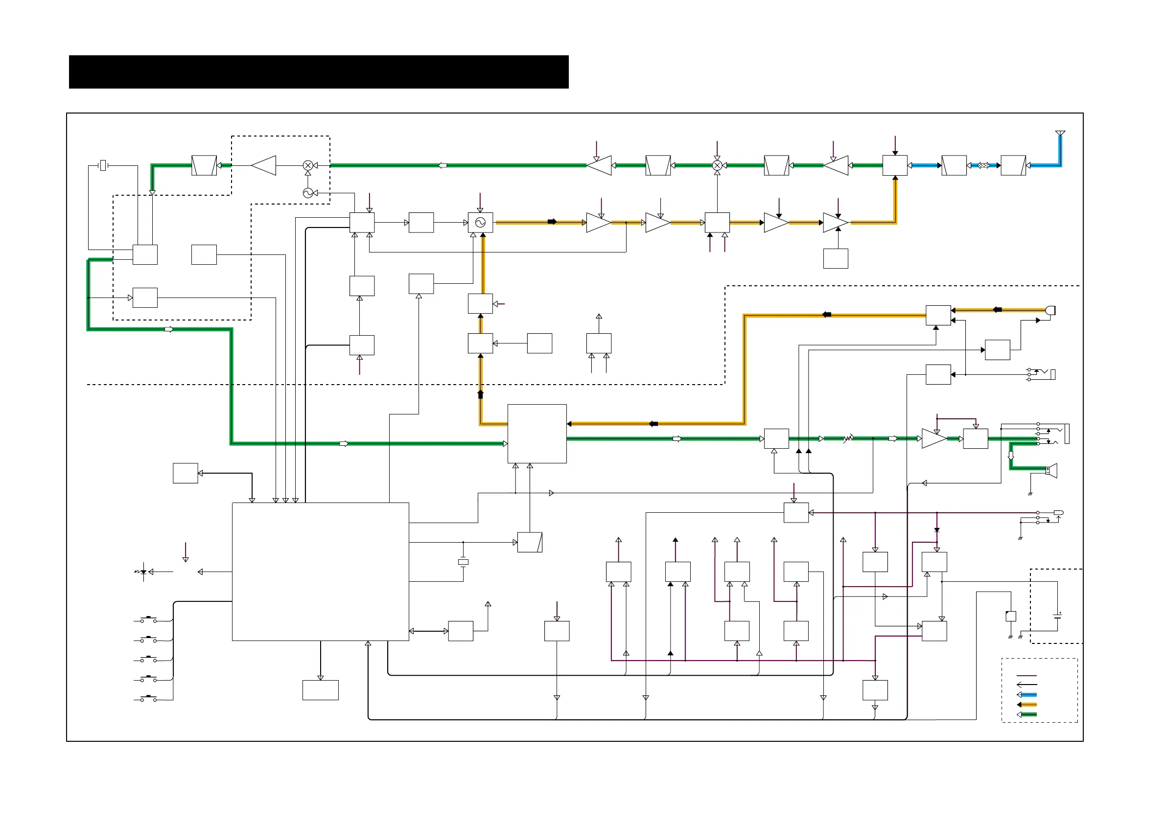
SECTION 10 BLOCK DIAGRAM
10 - 1
ANTENNA
LPFHPF
TX/RX
SW
RF
AMP
BPF
XTAL
IF
AMP
IF
AMP
BPF
CERAMIC
X1:
CDBC450CX24
NOISE
DET
BUFF
DRIVE
AMP
PWR
AMP
MC300
KUC3523
PTT
S304
UP
S300
DOWN
S301
MODE
S302
POWER
S303
J303
J302
DC in
J301
X300:
CR-465
AF
AMP
AF
MUTE
+3
REG
LCD
SP300
SDRD-3650P
HSJ1493
HSJ1102
RV-244
R406
DS301:
CL-200YG
BATTERY
BT
BATT-SELECT
S305
D306:
RB551V
MATRIX
LPF
D/A
FIL
LOOP
D/A
D/A
LO
SW
VCO
REG
VCO
PLL
IC
1st MIX
FMDET SOUT
SHIFT
PTT SW
PTT
SENSE
VOL
MUTE
MIC
MUTE
BATT
T+3
R+3
R+3
CURRENT
AMP
T+3
CURRENT
AMP
+3V
CURRENT
AMP
LED
DRV
RESET
EEPROM
SENS
SQL
UNKOCK
DATA, CK, STB
CHARG
POW
SW
6V/BATT
SW
VCC
D305: SB07-03C
Q314: 2SB1132
Q312: DTC144EU
D308: MA133
D307:
MA2S728
Q315: HAT1023RQ303: UMZ2N
D301: MA2S111
Q304: 2SA1586
D302,
D303: MA2S111 × 2
Q305: 2SC4116
Q308: 2SB798
Q319: XP4601
IC303: R1121N301B
IC302: R3112N281A
C3V+3V
CHG
V-SENS
Q318: DTC144YU
D317: MA2S111
VCC
SENS
+3V
Q302: DTA114EU
C3V
TEMP
SENS
C3V
TEMP
HVIN
VIN
RESET
RXC
TXC
BPON
CHGC
AF
REG
AFON
AFV
AFV
MICIN
Q307: 2SA1362
D318: RB551V
Q306: 2SC4116
IC305: NJM2070 Q311: 2SC4213
RMUT
Q316: 2SJ144
PTTC
MMUT
PTTS
Q317: DTC144EU
Q310: DTA113ZU
Q309: DTC114TU
Q313: 2SK1829
SCREMBLER
Pre-emphasis
De-emphasis
MIC-AMP
TONE-FIL
CTCSS
IDC-AMP
LPF
MICIN
AFOUT
CPU
IC301 : UPD789407A
D309, D310, D313:
MA2S111 × 3
VCO3
PSC VCC
Q10: 2SA1586
Q11: 2SC4116
D10, D11: MA2S111 × 2
PSC
IC300: BR24C02
IC304: AK2342B
MAIN
RF
D1, D2, D3, D4: 1SV308 × 4
Q1: 2SC4228
R+3
BPF
FI4: NSVS647
Q2: 3SK320
FI2: FL-297
Q3: 2SC4215
R+3
R+3
T+3
VCO3
VCO3
VCO3
Q4: 2SK3078A
T+3
T+3
IC3(2): BH2220FVM
Q5: 2SC3356
Q6: 2SC4228
D5: MA2S728
D6, D7: MA2S077
T+3 R+3
Q7: 2SC5108
VCO3
Q13: 2SC4226
Q8: 2SC5108
D8, D9: 1SV284 × 2
FIN
Q9: 2SC4117
SHIFT
IC2: UPD3140GS
PC
REF
OSC.
X2: CR-669
D12: HVC376B
21.25MHz
FC
IC3(3): BH2220FVM
+3V
MOD
BEEP
MOD
VOL
IC3(1): BH2220FVM
2nd Lo:
21.25MHz
FI3: CFWM450G
IC1: TA31136FN
TX: 446.00625 – 446.09375MHz
RX: 424.30625 – 424.39375MHz
TX/RX: 446.00625 – 446.09375MHz
1st Lo: 424.30625 –
424.39375MHz
1st IF: 21.7MHz
D6, D7: MA2S077 × 2
MUTE
Q14: 2SC4213
R+3
Q12: 2SJ144
BEEP
BUFF
3.6864MHz
NOTES :
Data line
Common line
TX line
RX line
Voltage line

Other manuals for Icom IC-4088SR

Related product manuals