EasyManua.ls Logo

Icom IC-730 - Page 33

Icom IC-730
136 pages
To Next Page IconTo Next Page
To Next Page IconTo Next Page
To Previous Page IconTo Previous Page
To Previous Page IconTo Previous Page
Loading...
--.J
I
w
)
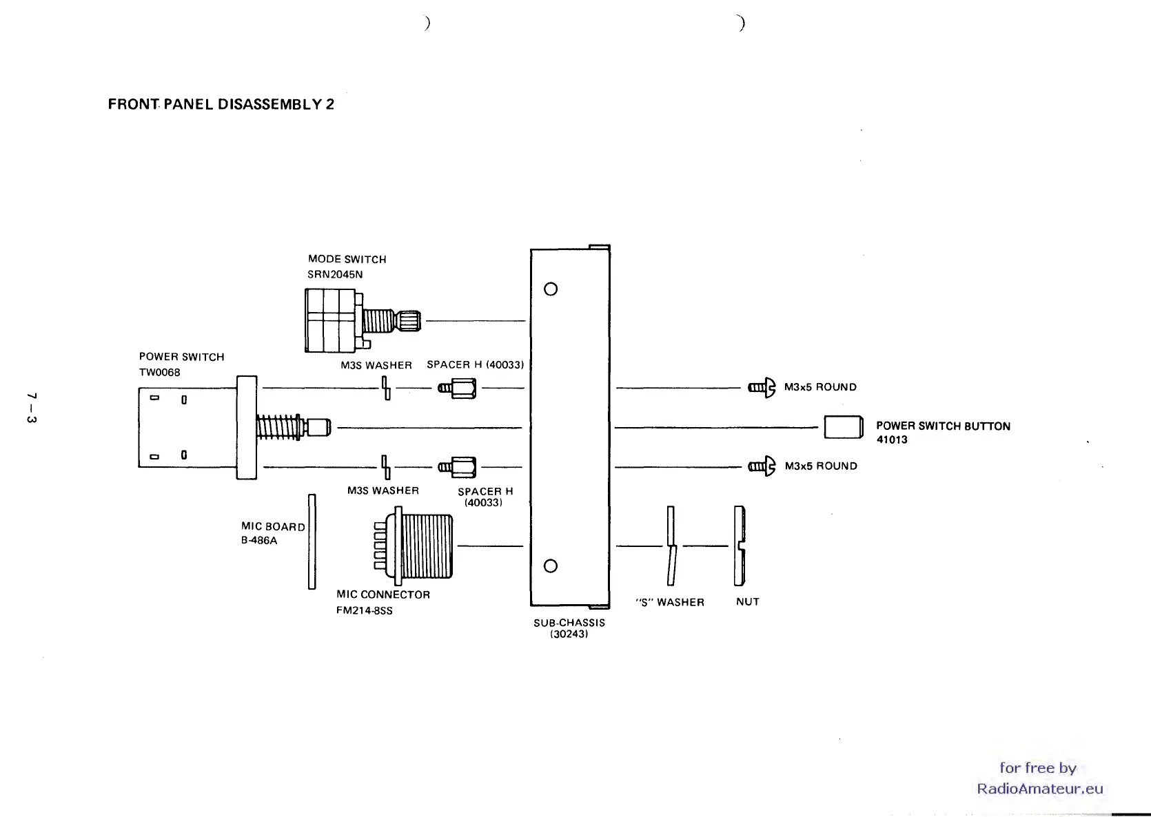
FRONT
PANEL OISASSEMBL Y 2
POWER SWITCH
TW0068
c 0
c 0
MODE SWITCH
SRN2045N
M3S WASHER SPACER
H (40033)
----~-mbd-
--~-m{d-
MIC
BOARD
B486A
M3S WASHER
SPACER
H
(40033)
.-
MIC
CONNECTOR
FM214-8SS
-
o
o
SUB-CHASSIS
(30243)
--------------
~
M3x5ROUND
----0
---------
cuB
M3x5
ROUND
"S"
WASHER
NUT
POWER SWITCH
BUTTON
41013
for
free
by
RadioAmateur.eu

Other manuals for Icom IC-730

Related product manuals