EasyManua.ls Logo

Icom IC-730 - Page 38

Icom IC-730
136 pages
To Next Page IconTo Next Page
To Next Page IconTo Next Page
To Previous Page IconTo Previous Page
To Previous Page IconTo Previous Page
Loading...
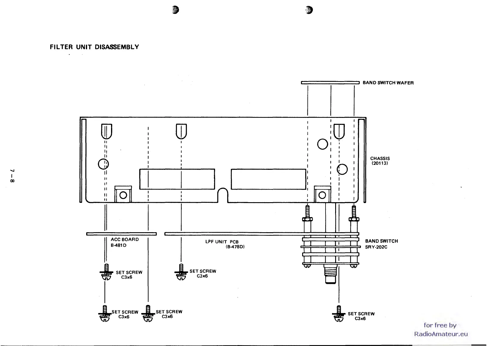
FI
L TER
UNIT
DISASSEMBLY
I
I
OO
OJ
I
I
I
I
I
II
I
"
I
II
I
II
I
CD
I
I
II
I
I
I I
II
II
II
110
I
II
I
I
II
I I
~
I
,
ACC BOARD
LPF
UNIT
PCB
1
B-481
0
(B-478D)
I
~
-£.-
SET
SCREW
-lSETSCREW
C3x6
C3x6
~SETSCREW
~SETSCREW
~
C3x6
~
C3x6
I
1aJ
0
1
:
I I
I
I
I
I
I
I
0
I
,
I
I
I
I
~
r<sl
I
I
I
I
~I
I
I
I
JI
El
I
I
I
I
I
I
I
I
I
I
I
I
I
I
I
B
r-
AND
SWITCH WAFER
CHASSIS
(20113)
~~
i
i
\.IV
BAND
SWITCH
SRY-202C
~
SETSCREW
1!J!j
C3x6
for
free
by
RadioAmateur.eu

Other manuals for Icom IC-730

Related product manuals