EasyManua.ls Logo

Icom IC-730 - Page 37

Icom IC-730
136 pages
To Next Page IconTo Next Page
To Next Page IconTo Next Page
To Previous Page IconTo Previous Page
To Previous Page IconTo Previous Page
Loading...
.....
I
.....
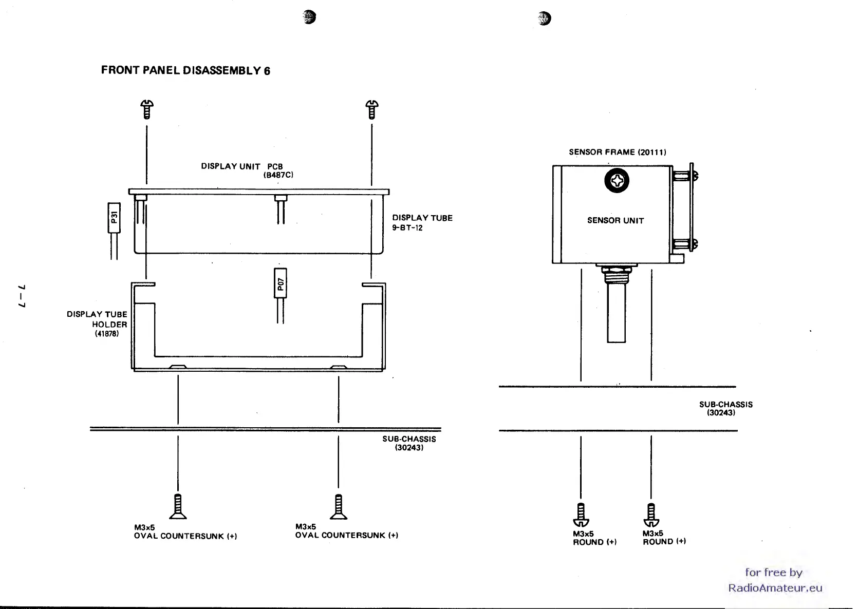
FRONT PANEL DISASSEMBLY 6
DISPLAY TUBE
HOLDER
(41878)
L
rr
M3x5
DISPLA Y
UNIT
PCB
(B487C)
OVAL
COUNTERSUNK
(+)
M3x5
DISPLAY TUBE
9-BT-12
SUB·CHASSIS
(30243)
OVAL
COUNTERSUNK (+)
SENSOR FRAME (20111)
SENSOR
UNIT
M3x5
ROUND
(+)
M3x5
ROUND (+)
SUB·CHASSIS
(30243)
for
free
by
RadioAmateur.eu

Other manuals for Icom IC-730

Related product manuals