EasyManua.ls Logo

Icom IC-730 - Page 36

Icom IC-730
136 pages
To Next Page IconTo Next Page
To Next Page IconTo Next Page
To Previous Page IconTo Previous Page
To Previous Page IconTo Previous Page
Loading...
......
I
en
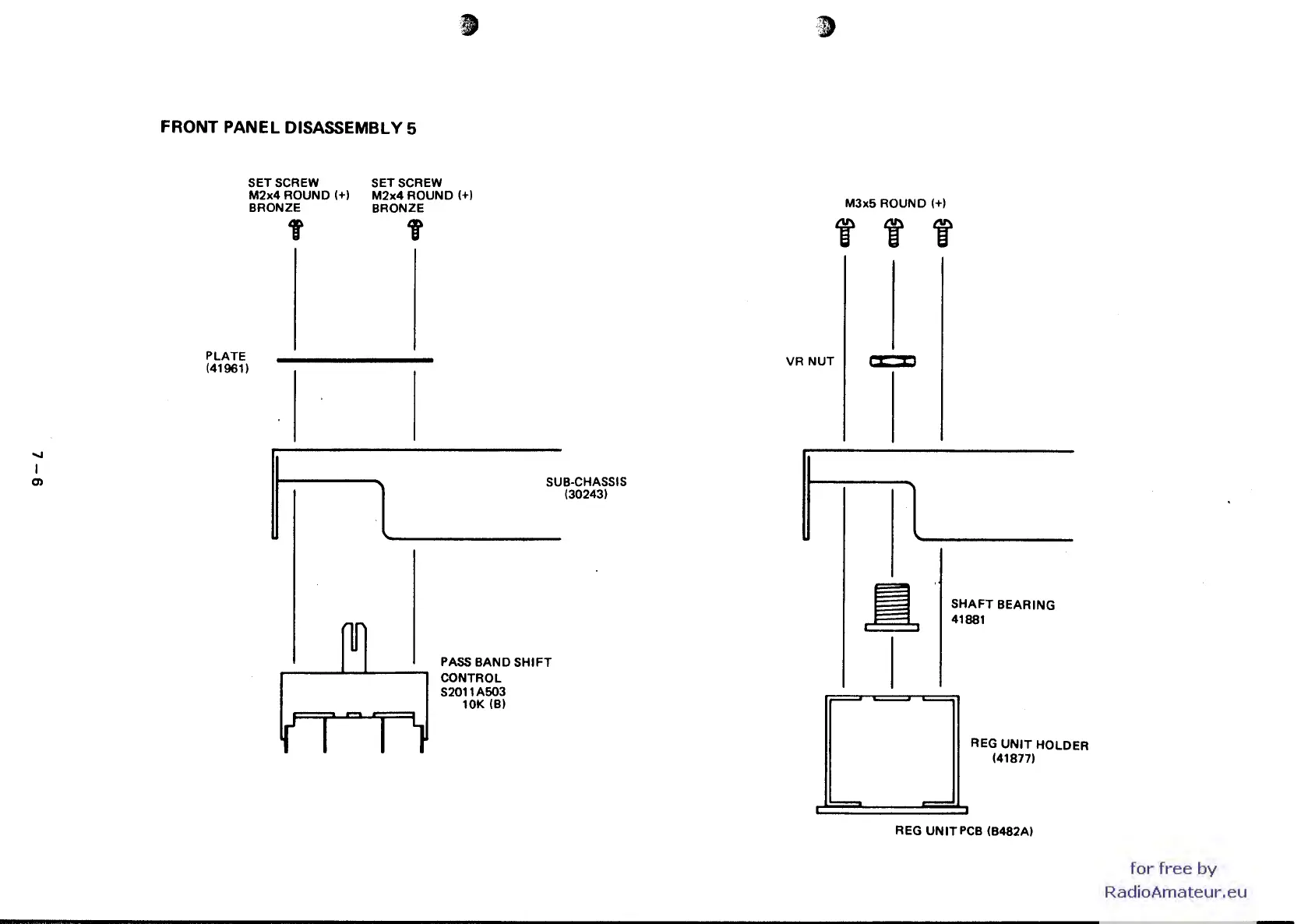
FRONT PANEL DISASSEMBLY 5
SETSCREW
M2x4 ROUND (+)
BRONZE
PLATE
(41961)
~
f
SETSCREW
M2x4
ROUND (+)
BRONZE
f
1
SUB-CHASSIS
PASS
BAND SHIFT
CONTROL
S2011A503
10K
(B)
(30243)
VR
NUT
!
M3x5 ROUND (+)
f
1
Ji
- -
SHAFT
BEARING
41881
REG
UNIT
HOLDER
(41877)
REG
UNIT
PCB
(B482A)
for
free
by
RadioAmateur.eu

Other manuals for Icom IC-730

Related product manuals