EasyManua.ls Logo

Icom IC-730 - Page 35

Icom IC-730
136 pages
To Next Page IconTo Next Page
To Next Page IconTo Next Page
To Previous Page IconTo Previous Page
To Previous Page IconTo Previous Page
Loading...
~
I
CJ1
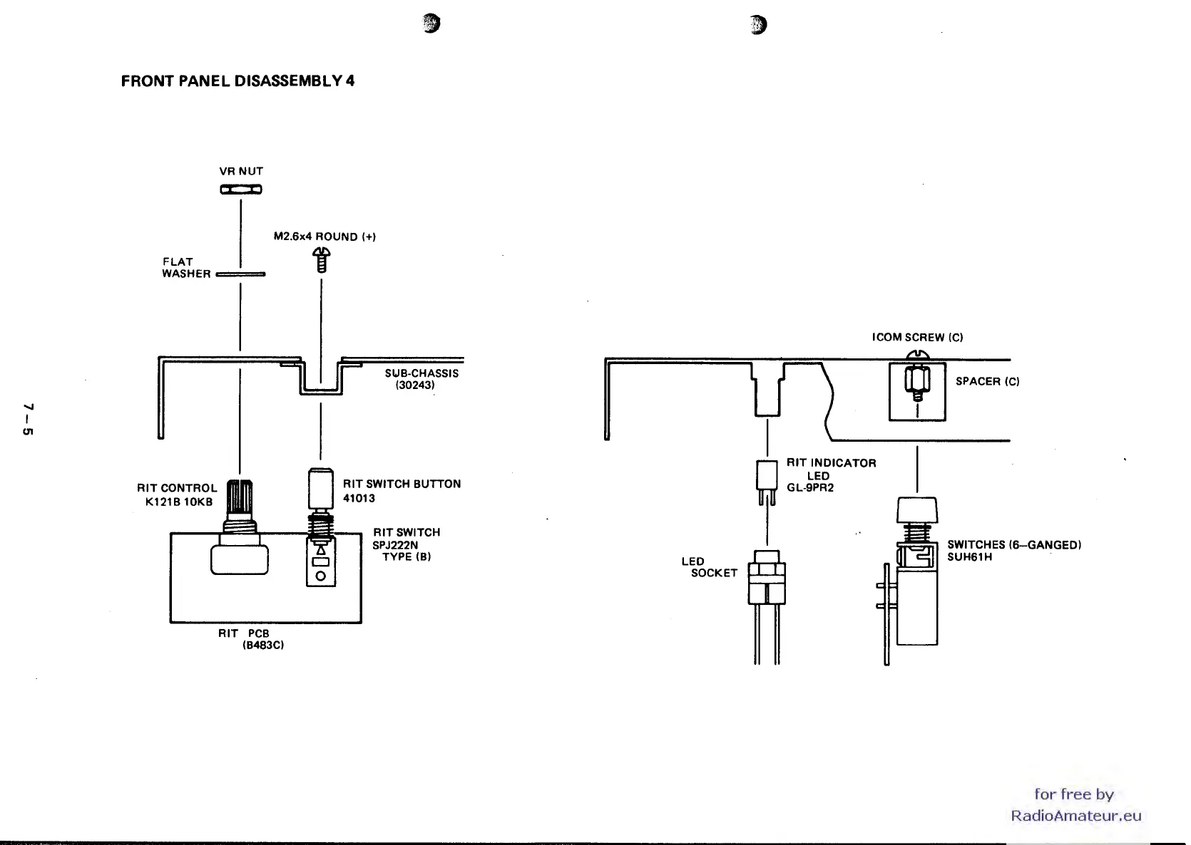
FRONT PANEL DISASSEMBLY 4
VRNUT
a:::::::c
M2.6x4 ROUND
(+)
FLAT
WASHER
0==
...
RITCONTROL
K121B 10KB
RIT
PCB
(B483C)
f
SUB-CHASSIS
(30243)
RIT
SWITCH BUTTON
41013
RITSWITCH
SPJ222N
TYPE
(B)
LED
SOCKET
ICOM
SCREW
(C)
RIT
INDICATOR
LED
GL-9PR2
~
SPACER 'C)
SWITCHES
(6-GANGED)
SUH61H
for
free
by
RadioAmateur.eu

Other manuals for Icom IC-730

Related product manuals