EasyManua.ls Logo

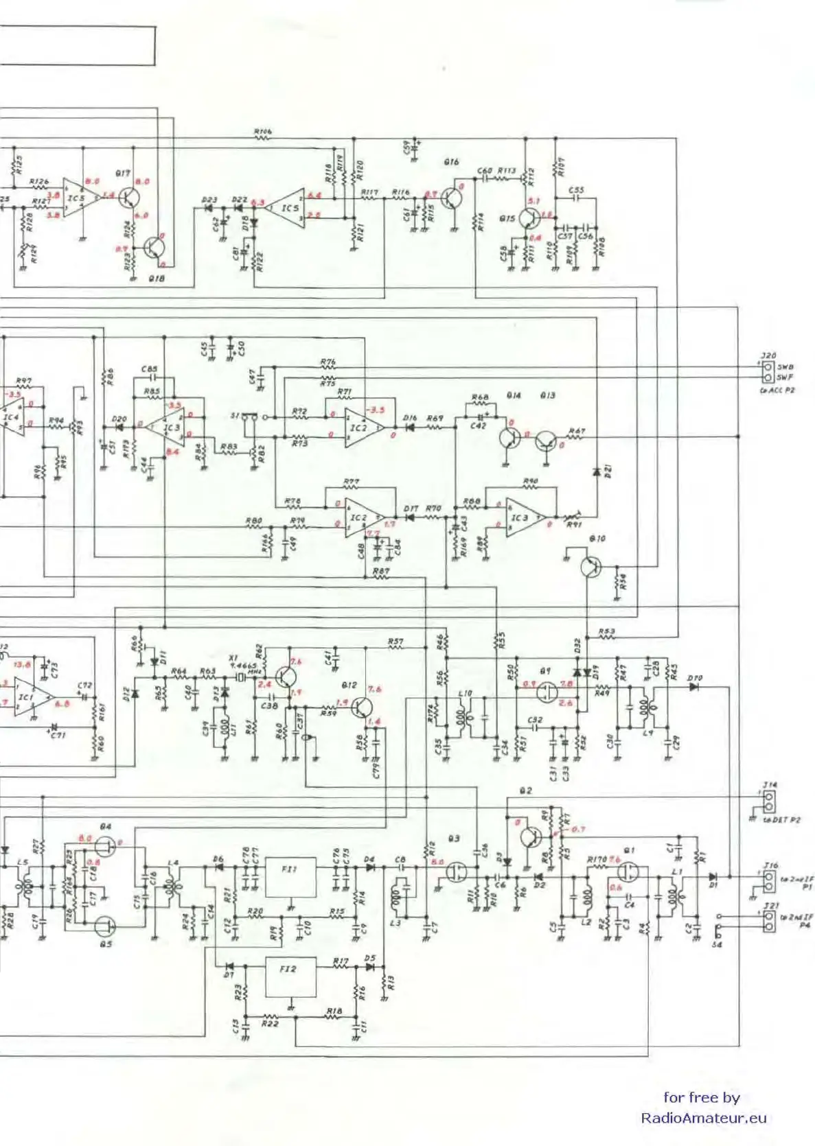
Icom IC-730 - Page 74

Icom IC-730
136 pages
To Next Page IconTo Next Page
To Next Page IconTo Next Page
To Previous Page IconTo Previous Page
To Previous Page IconTo Previous Page
Loading...
"n
~
.n
ItiU
••
..
r.;
~1J
Nl
.J
~
"
",,1
"
U,
~l
'"
of
'"
!
u
:
~
~
v
~f
h
.;
k
v
."
'i
±.5
;
'"
~l
..,
[l
II
.u
V.jL
t!'.jL
'T
.m
'"
-
'H
I
lU
.lL
,~E
;;
t
:
, I
"",
'"
...
v
;..-
~
no
'N
~
q;
v
"
Itl·
~
III
'"
...I?
'
~.
""'t:..
~tI\
'
...
.u
.L,
"cn
,.
. )
i1
~
;
~.
~
, ..
L.,
"II
,
'"
~5
,
',,,
5
v
~
:
I
..
,
5f
...
~~
,
...
""1
~
r
...
,
....
.
r.f'
.
'"
~
P;,
af.
~
"'r v
,
~fe.~~~.
~
..
~
- t
:!!
::l
~.,
iii:
lit
...
'"
.,.
0
11
''-
."
1.
-u
.,.
116'
'"
1'!./
.
.,
,
1"
;;
..
,
N
1
t:>
..
~~
~
.n m
-"
.,
~
r--I
:/(.1
,
...
,
i
~
1
me
...
.It'<>
,.,
f'
,
..,
'"
:
~i
~
~
"
.n
".
...
'.!1Y
i!l
••
'"
'"
'"
rt
f
n~
~
l~
51
r
~1
t
. "
,
~"
"
,..
·
,
..
, .,
'"
.~
15
:
'"
""',,'-
.
Iv
"1
,.
JO'
"
·
I~,
ti'""
..
"
'-
U/.,U
~~
N
,~
for
free
by
RadioAmateur.eu

Other manuals for Icom IC-730

Related product manuals