EasyManua.ls Logo

Icom IC-730 - Page 75

Icom IC-730
136 pages
To Next Page IconTo Next Page
To Next Page IconTo Next Page
To Previous Page IconTo Previous Page
To Previous Page IconTo Previous Page
Loading...
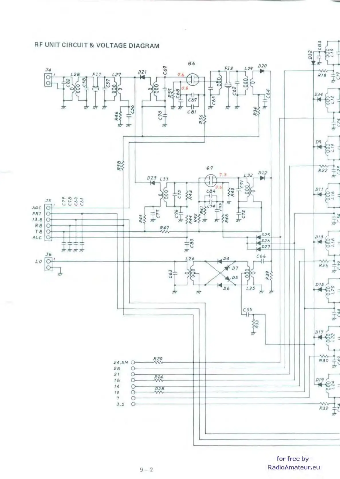
RF
UNIT
CIRC
UIT
&
VOLTAGE
OIAGRAM
J5
O-C)Q_
.........
-0-0
,
.....
...,....,
.....
AOC
PRI
'.J.O
R.
R41
T.
ALe
=
hn
J6
L'
,
.,.
24.SM
2.
2r
IS
R1<
"
R2S
"
7
'.5
9-2
,so
015
-
~-f
.~
Rl6
~~
,....
D'~}
()
~.
f-:l
'
~
~~
r-
IJ/1
....
'----+t1H-t+--1
t*ti
~~
,
.
'-1
RJO
i~
,~
RJ2
~~
for
free
by
RadioAmateur.eu

Other manuals for Icom IC-730

Related product manuals