EasyManua.ls Logo

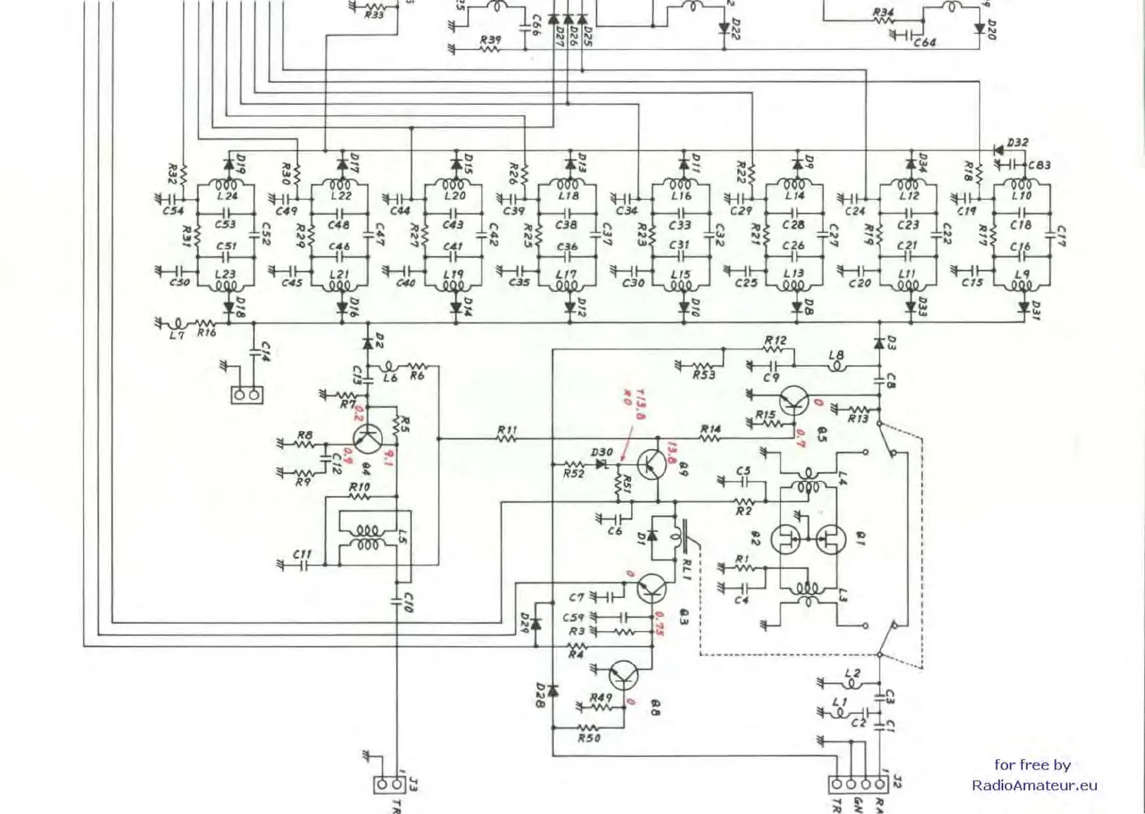
Icom IC-730 - Page 76

Icom IC-730
136 pages
To Next Page IconTo Next Page
To Next Page IconTo Next Page
To Previous Page IconTo Previous Page
To Previous Page IconTo Previous Page
Loading...
~-:m"r
'
~~"
.1
If"
~
~
~
*1:
bob
~
...
It",
~ ~
:x
....
~
b
~
C'4
l~
DJ.
~
II;) b -
--
b-
- - b
t:I
b
i%
:0
i!
=i
;:
~
i:
::
~
-0
~ ~
It-f
C83
1'1,1
I:)
go.
....
GIt
~
L2~::t-I
L22
~
L20
~
Lla
~
L/6
~
Lt4-
~
LIZ
~
LlO
C54
,.,
C44
e39
c.u
e2f
'24
'.::1'
f-
;la
03
"
))
C<fa
,...
::.,
'43
1"1
::..
C38
1"\
;-.
e33
"
::..
C21J
"
::tt
eZl
'"
:II
CI&
1t"1
w
~....
~
1'1,1
~
~
w
1'1,1
....
-
1'1,1
_ _
-
C51
....
..0
C4'
~
-.I
(4'
1'1,1
!.II
C36
~
w e31
....
...
(26
~
-0
e21
....
-.a
C 6
T-.I
I-
+-I L23
~
l2t
~
l"
~
Lt1
~
L/5
~
L1J
~
LII
~
L-
C$I) C45
C44
en
C30
C2'
C20
CI5
II;) b b b b b e b
~
;
~ ~ ~ ~
w
~
L7
R16
b
RI2
b
~..
:--1
'.;J
Jf,.
..
~
S L6
.6
;::m:
~,
~
:~
o
~
••
~
~ri
~
~
. .
;;:;
11>
...
. , .
RIO
---w.-
iiI-'
~
1113
Itt.
.,
...
.
...
u "
DJO I
...
I
R$2
I
'H
••
C6
~
h
W
~(l~
~
:
.,
,
~
.
..
L!~===
==============
~======~:!.:~:lJ~~.~~~::~
.
.....
h._
•••••
_
•••
••
__
•••••
_..
!
......
J....b
l2.Qjl:
;:
••••
I
L2
-
..
::
"
~
LI
~~
.,.
~'l"
....!..,'I--'''I
T-
lQOOOI:;:
;;;
for
free
by
RadioAmateur.eu

Other manuals for Icom IC-730

Related product manuals