EasyManua.ls Logo

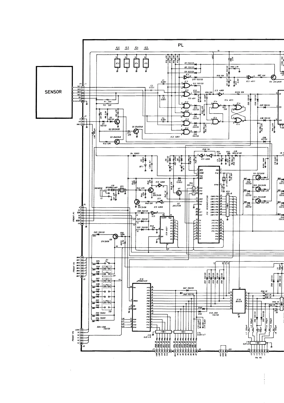
Icom IC-735 - Page 147

Icom IC-735
149 pages
Print Icon
To Next Page IconTo Next Page
To Next Page IconTo Next Page
To Previous Page IconTo Previous Page
To Previous Page IconTo Previous Page
Loading...

Table of Contents

Other manuals for Icom IC-735

Related product manuals