EasyManua.ls Logo

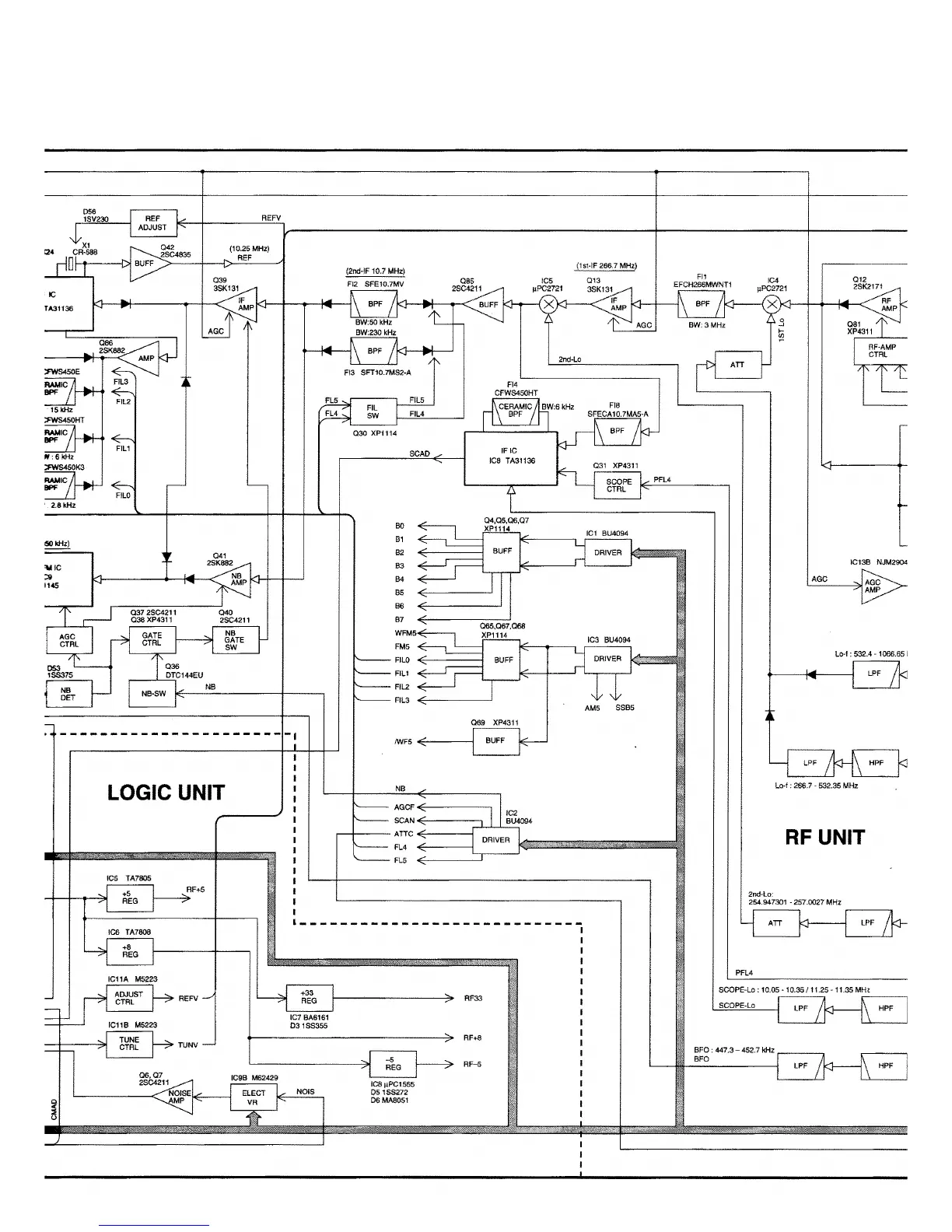
Icom IC-PCR1000 - RF Unit Detailed Block Diagram; RF Unit Signal Path and Component Blocks

Icom IC-PCR1000
53 pages
To Next Page IconTo Next Page
To Next Page IconTo Next Page
To Previous Page IconTo Previous Page
To Previous Page IconTo Previous Page
Loading...

Other manuals for Icom IC-PCR1000

Related product manuals