EasyManua.ls Logo

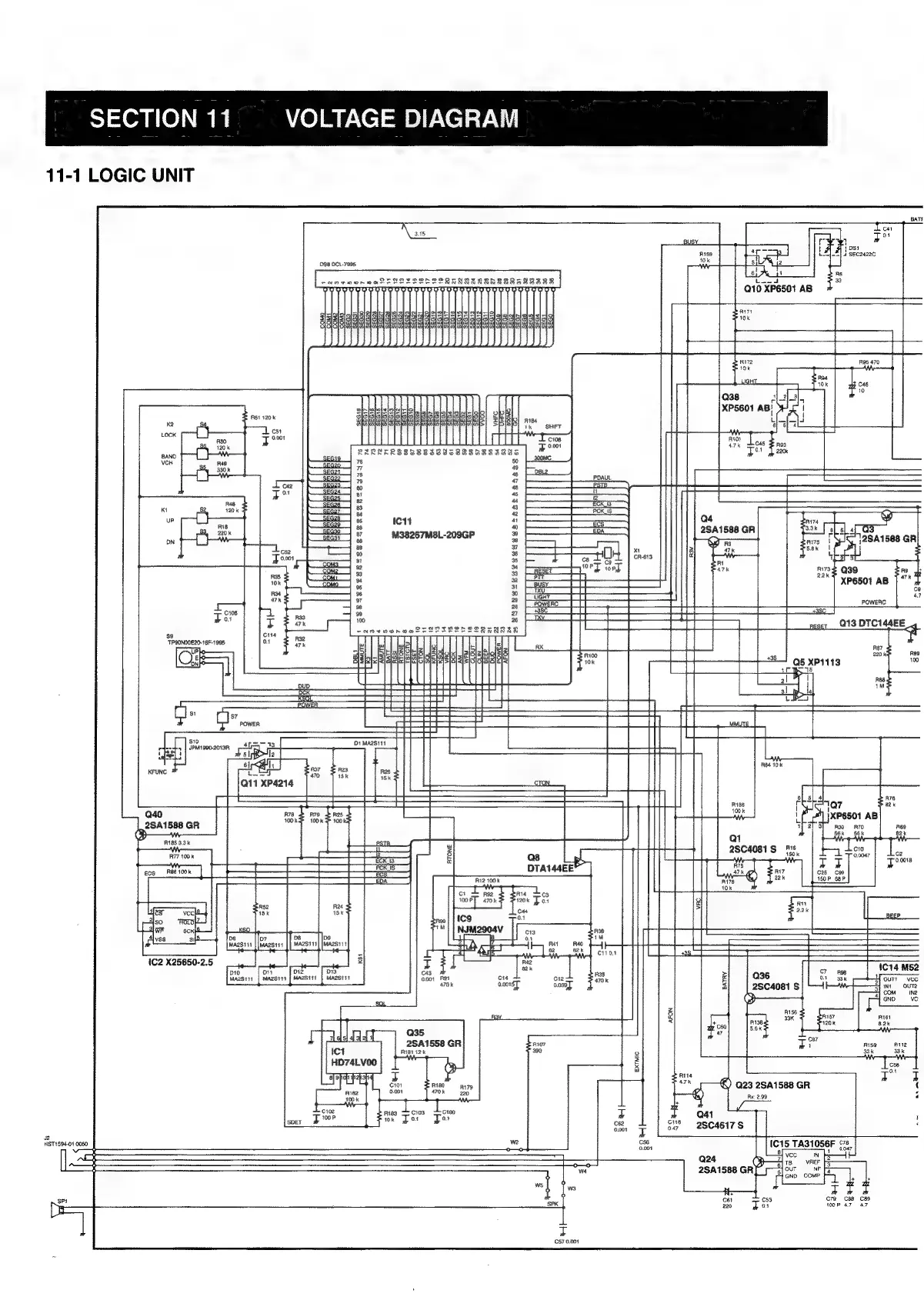
Icom IC-Q7E - SECTION 11 VOLTAGE DIAGRAM; Logic Unit Voltage Diagram

Icom IC-Q7E
39 pages
Print Icon
To Next Page IconTo Next Page
To Next Page IconTo Next Page
To Previous Page IconTo Previous Page
To Previous Page IconTo Previous Page
Loading...
SECTION
11
VOLTAGE
DIAGRAM
11-1
LOGIC
UNIT
Е
1
1
DS:
4
Y
чё
-
АР
2
058
0CL.7995
RS
d
за
Q10)
XP6501
AB
я
1
5ЕС24220
817)
10k
Q4
2SA1588
GR
qu
|
R3
PT
|
Hi
M38267M8L-209GP
*
>
i
ie
იი
013
0IC14466
a
S
echa
qot
ინ
UP
ho
Б?
С)
ЕЮ
220
irs
ONJO
სე
R86
1M
еее
L
|
51
8
Б-ийн
E
E
8
а
=
hore
|
HI
|
rl
т
20138
Sf
13
вез
ir>
KFUNC
we
Q11
XP4214
х
ION
Q40
25А1588
GR
=
E
Эр
82k
2SC4081S
"5
à
qe
BEEP.
1C2
X25650-2.5
1614
M52
voc
INE
OUTZ
сом
iN2
GNO
УС
RIBI
в2к
ян
33x
HD74LV00
сз
94
shah
8114
4
I
1745
ын
023
2$А1588
GR
(
e
Rx:
2.99
:
Стог
ma
Сзоз
C100
p"
041
IOP
at
оз
с
ч
SDET
>
юк
#
px
ose,
x
сив
2564617
S
{
4
Ктемен
оо
|
We
се
|
115
ТАЗ1056Р
22,
8.
LX
Q24
pa
vee
z
3
Го
1
(3
TB
ლა
3
Ї
5
5
wa
2$А1588
GR
“,
5
ლას
ess
4
m
wI
ბე
|
184
x
х
ev
се

Related product manuals