EasyManua.ls Logo

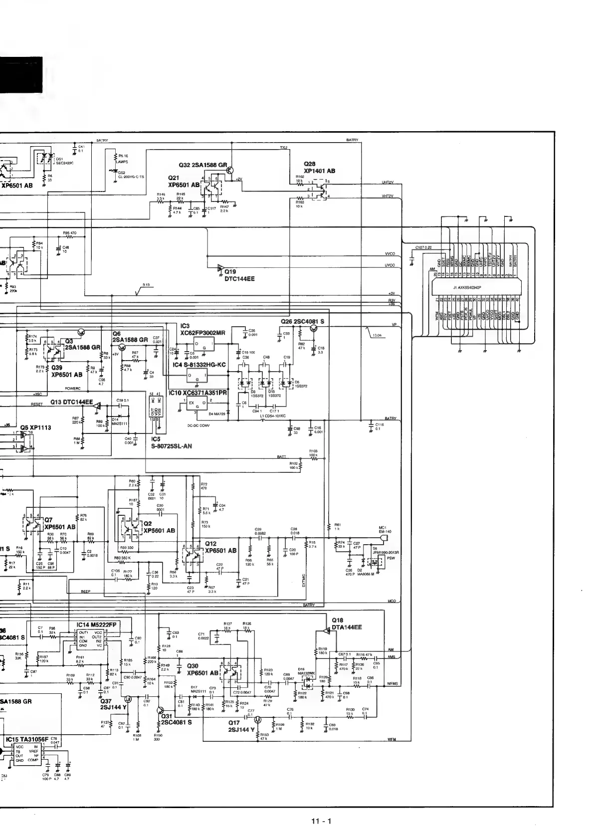
Icom IC-Q7E - SECTION 11 VOLTAGE DIAGRAM; RF Unit Voltage Diagram

Icom IC-Q7E
39 pages
Print Icon
To Next Page IconTo Next Page
To Next Page IconTo Next Page
To Previous Page IconTo Previous Page
To Previous Page IconTo Previous Page
Loading...
Q28
XP1401
AB
CL-200YG-C-TS
Q21
4|
ХР6501
АВГ
8146 8145
33k
47k
DTC144EE
5
$
agg
220K
|
Q6
25А1588
ОВ
бу,
g
2912
R68
POWERC
Г-
1
RES
013
DTC144EE
4
TL
R87
220K
Аво
5
Q5
XP1113
100k
DC-DC
CONV
f
სა
15
al
9
яав
сю
I
1M
0,001
E
LL
S-80725SL-AN
амс2к
1
S
took
илрэн
817
C25
(С99
2k
150P
68P
470
Р
MA8068
М
a
Q18
4
11014
М5222ЕР
м
Jg
ОТА144ЕЕ
сөз
ч
304081
$
сө
T
00022
ЖЭ
R128
10
R119
свв
180k
06701
A116
47k
|
ans
Л
8166
i
ви?
$9136
e
кыш
ү
8165
220k
жу
18k
ne
I
Q30
Г
ЭЭН
470k
222k
ge
вий
an2
82K
XP6501
AB:
120k
33k
33k
C90
0.0047
2164
с
R118
066
сөз
10k
|
A133
1
Sk
9
WFMS.
თა
сө?
01
180k
D17
стз
сто
01
МА25111
01
0.0047
5122
ma
Loes
1588
'GH
2
2!
|
d
ხება
180M
470k
T”
SA
92
C81
R125
01 от
38140
енін
15К
mer
47k
»
>
180
k
180
к
0
627
C76
R130
C74
01
01
15k
01
1
2504001
5
от"
®
i
I
R109
R132
C93
|
254144
Y
Е
სა.
pens
R150
R153
115
TA31056F
ст,
330
47k
NEM
2f
vcc
j
47
100ჩ
47
11-1

Related product manuals