EasyManua.ls Logo

ICP N9MSB0401410B - Wiring Diagram

ICP N9MSB0401410B
27 pages
Print Icon
To Next Page IconTo Next Page
To Next Page IconTo Next Page
To Previous Page IconTo Previous Page
To Previous Page IconTo Previous Page
Loading...
SERVICE AND TECHNICAL SUPPORT MANUAL Gas Furnace: N9MSB
Specifications subject to change without notice.
22 440 04 4412 01
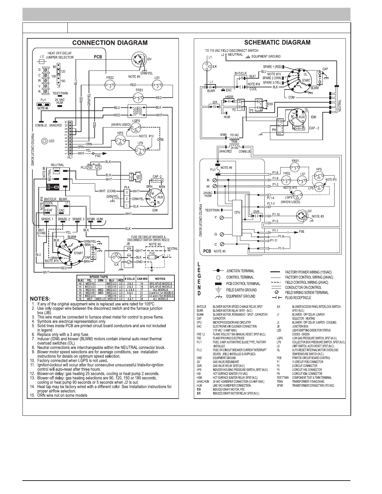
Figure 15
Wiring Diagram
3392412 Rev A

Related product manuals