EasyManua.ls Logo

ICP PGD4 E Series - Page 22

ICP PGD4 E Series
62 pages
Print Icon
To Next Page IconTo Next Page
To Next Page IconTo Next Page
To Previous Page IconTo Previous Page
To Previous Page IconTo Previous Page
Loading...
22 46201200402
Specifications are subject to change without notice.
A150509
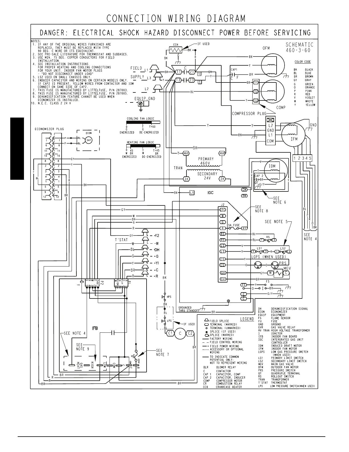
Fig. 18 -- 460-- 3--60 Connection Wiring Diagram
PGD4, PGS4, WPG4

Table of Contents

Related product manuals