EasyManua.ls Logo

ICP PGN324 - Unit Weight; Center of Gravity; Dimensions

ICP PGN324
29 pages
Print Icon
To Next Page IconTo Next Page
To Next Page IconTo Next Page
To Previous Page IconTo Previous Page
To Previous Page IconTo Previous Page
Loading...
5
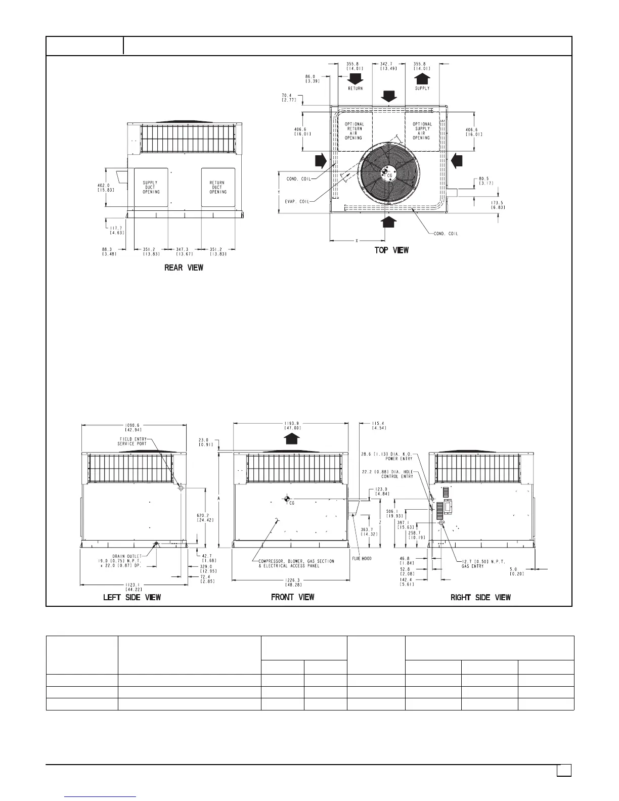
FIGURE 4
PGN342--60 DIMENSIONS
R
E
Q
U
I
R
E
D
C
L
E
A
R
A
N
C
E
F
O
R
O
P
E
R
A
T
I
O
N
A
ND
S
E
R
V
I
C
I
N
G
INCHES [mm]
EVAP. COIL ACCESS SIDE............................................................36.00 [914.0]
POWER ENTRY SIDE....................................................................42.00 [1066.8]
(EXCEPT FOR NEC REQUIREMENTS)
UNIT TOP .......................................................................................48.00 [1219.2]
SIDE OPPOSITE DUCTS ..............................................................36.00 [914.0]
DUCT PANEL .................................................................................12.00 [304.8] *
*MINIMUM DISTANCES: IF UNIT IS PLACED LESS THAN 12.00 [304.8] FROM
WALL SYSTEM, THEN SYSTEM PERFORMANCE MAYBE COMPROMISE.
R
E
Q
U
I
R
E
D
C
L
E
A
R
A
N
C
E
T
O
C
O
M
B
U
S
T
I
B
L
E
M
A
TL
.
INCHES [mm]
TOP OF UNIT...................................................................................14.00 [355.6]
DUCT SIDE OF UNIT.........................................................................2.00 [50.8]
SIDE OPPOSITE DUCTS ................................................................14.00 [355.6]
BOTTOM OF UNIT.............................................................................0.50 [12.7]
ELECTRIC HEAT PANEL .................................................................36.00 [914.4]
N
E
C
.
R
E
Q
U
I
R
E
D
C
L
E
A
R
A
N
C
E
S
.
INCHES [mm]
BETWEEN UNITS, POWER ENTRY SIDE ....................................42.00 [1066.8]
UNIT AND UNGROUNDED SURFACES, POWER ENTRY SIDE .36.00 [914.0]
UNIT AND BLOCK OR CONCRETE WALLS AND OTHER
GROUNDED SURFACES, POWER ENTRY SIDE.........................42.00 [1066.8]
LEGEND
CG - Center of Gravity
COND - Condensor
EVAP - Evaporator
NEC - National Electrical Code
REQ’D - Required
NOTE: Dimensions are in in. [mm]
UNIT
ELECTRICAL
CHARACTERISTICS
UNIT WEIGHT
UNIT
HEIGHT
IN. [MM]
“A”
CENTER OF GRAVITY
IN. [MM]
lb kg X Y
Z
PGN342 208/230--1--60 450 204.1 40.98 [1041] 21.0 [533] 21.0 [533] 17.1 [434]
PGN348 208/230--1--60 480 217.7 46.98 [1193] 21.0 [533] 20.0 [508] 17.4 [442]
PGN360 208/230--1--60 484 219.5 46.98 [1193] 21.0 [533] 20.0 [508] 17.6 [447]

Related product manuals