EasyManua.ls Logo

IDEAL 61-337 - Medición de Capacitancia; Medición de Diodos

IDEAL 61-337
90 pages
Print Icon
To Next Page IconTo Next Page
To Next Page IconTo Next Page
To Previous Page IconTo Previous Page
To Previous Page IconTo Previous Page
Loading...
47
Verificar Continuidad ( )
Para salir de Resistencia e ingresar al modo Capacitancia, Presione el botón SEL
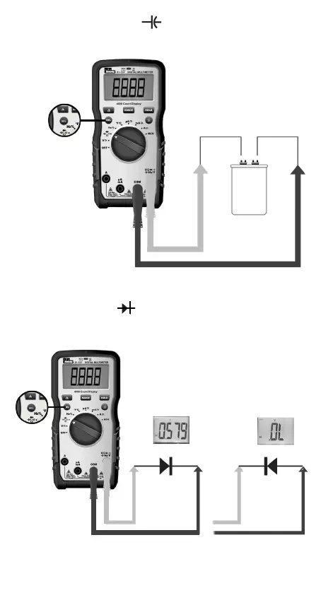
Para salir de Capacitancia e ingresar al modo de Prueba de Diodo, Presione el
botón SEL
Medición de Resistencia (Ohmios / Ω)
Medición de Capacitancia ( )
Medición de Diodos ( )

Table of Contents

Related product manuals