EasyManua.ls Logo

IDS NXT rome - RS-232 Wiring

IDS NXT rome
32 pages
Print Icon
To Next Page IconTo Next Page
To Next Page IconTo Next Page
To Previous Page IconTo Previous Page
To Previous Page IconTo Previous Page
Loading...
2021-11-08
21
IDS NXT: Technical manual IDS NXT rome
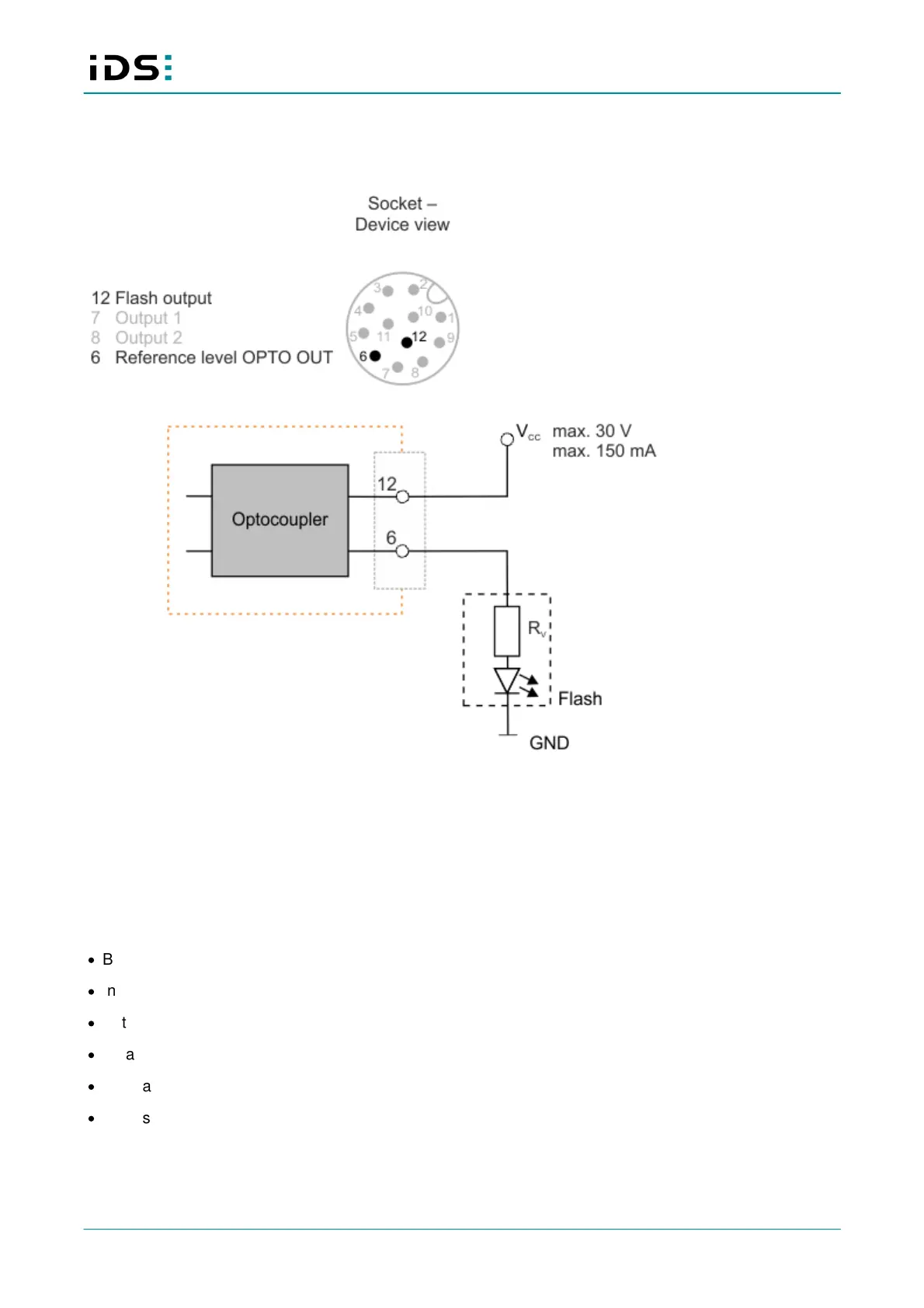
Open emitter wiring
Fig. 7: Wiring as open emitter
Only one output can be connected as an open emitter, since the load is on pin 6. The other outputs cannot be
used anymore.
7.5 RS-232 wiring
The IDS NXT rome has a serial interface of the type RS-232:
·
Baud rate: 300 … 230 400 Baud
·
Input voltage: max. ±15 V
·
Output voltage: -5,7 V to +6.2 V
·
Data rate: max. 250 kbps
·
Compatible with TIA/EIA-232-F standard
·
Permissible range according to RS-232 from ±3 V to ±15 V

Related product manuals