EasyManua.ls Logo

IFR COM-120B - Page 124

IFR COM-120B
182 pages
Print Icon
To Next Page IconTo Next Page
To Next Page IconTo Next Page
To Previous Page IconTo Previous Page
To Previous Page IconTo Previous Page
Loading...
2.3.
2.3.
r
;:::::::::::::::::::::::::::::::::::::::::::::::::::::::::::::::::::::::::::::::::::::::::::::::::::::::::::::::::::::::::::::::::::~R'~~~'fi[~R~T.~.a~T::::~~:EIi3·3
'3
3.~&
'3.
'44IB1B~~;:::::::::::::::::::::::::::::::::::::::::::::~~::::::::::::::::::::::::::::::::::::::::::::::::::::11
3,
5.
6,
13.
14
}:
'"
""-28
E
EI-,
4
E8··2"
L.
e8-21
I
E!I'22
ES-0!3
E!5-2"
E"-2!I
r-
__
~1""<l9·E8_.g
Et-2
Et-3
El-~
E!5-!5
E!5-8
E!5-7
E8-8
E8-"
r-_+-~
__
"''''''-I7 E
..
27
E8-10
E2-11
E2-,2
E2-.3
E3-,!5
1'3-18
E3-17
£3-18
"
A"9
27."
;.
2"HH2
~
E2-S"
'-r~"'·U~,..<:!70·-----'
3,
...
!5..
8.
B,
3.
~.
e.
10,
13.
·'t
v
..1J~
'~.
1
C79
~
~
~
U33A
"
"
v
2
a "
§ 0
r.
"
H"~2
"
a
G
27
.
.4
C
..
L 0
l'l
7.4AcT7A
DATA
GATE
I
.':v
~;r:7
::b-
O.
t
-=-
--:f~c
N/C
"
OUT
GNO
"UMHL
I
A16.
2
27.4
IIIiIImlIAIl
I/O
lIO'A21
I/O
'.03)
I/O
I/O
I/O
'AS!51
I/O
''''''
I/O
'AS4I
liD
'A!l1
I/OtAS3.
11'0
'loBI
I/O
'AS21
I/O
'.071
I/O
I/O
I/O
'10.11
I/O'Ael
I/O
(AtO)
I/O
fAg)
!I
AO-II!I'-I/O
Al-CS2-I/O
!:!IT-I/O
I/i)
107)
I/O
1061
I/O
11'0
I/O
I/O
(D~)
I/O
f04)
I/O
CClJ(
~~St-0I"l
11'0
I/O
11'0
11'0
I/o
I/O
11'0
I/O
I/O
I/O
I/O
I/O
I/O
I/O
I/O
I/O
I/O
I/o
I/O
I/O
I/O
I/o
I/o
I/o
I/O
I/O
I/O
I/O
I/O
I/O
I/O
I/O
I/O
I/O
I/O
HOC-I/O
U3.
He
5HHZ
I
e
07
FOUT
oe
O!I
51
0"
I
37
52
03
53
02
94
D.
S!5
00
DB/GSA
CKI/G2"
0.0/03.0
TP37
Dtt/GAA
OS2/015A
GND
0.3
0.4
D.S
1=
~
!==
t=
l'
AUI
8.8S
II
A23
SK
1
__________________________
~~·~ln~.~~l
____
~~aR~::cn:>
3.
••
5.
e.
8,
9.
10,
13.
I.e
xT~2-I/0
~7ii6~~~NC~--------------------
__
-----Jl-~~=:=:=:=:=:=:=:=:=:=:=:=:=:=:=:=:=t=:=:=:=:Jr:==:=:=:=:=:=:=:=:=:=:=:::~lU~
CD'C"-I/O
&CLI<!N-xT
AL
1-1/
JliIlT-I/O
,3
I/O
(03'
92
DIGITIZER
.T"
.....
DT
.3
I/O
(021
.3
I/O
""
~'3
2.
3.
!5.
B.
9.
13.
14
OOUT-I/O
I/O
IAD.O
GGGGGG
I/O
.,
,V
NNNNNN
I/O
(011
000000
~C78
.
ttt
If
3042PO
~
0.1
_
~
.,
\v
~
~="
10
AD
V
DO
AI
E
<:>.
.2
02
P
U33B
103
03
U
04
A"
05
1;1
P
9
106
06
0
A Q
.7
07
Ae
~
109
e
1010
C
Il'
Ie
G~~
L
1
rr
C1r
J
74.4CT74
liE'
~~~2016
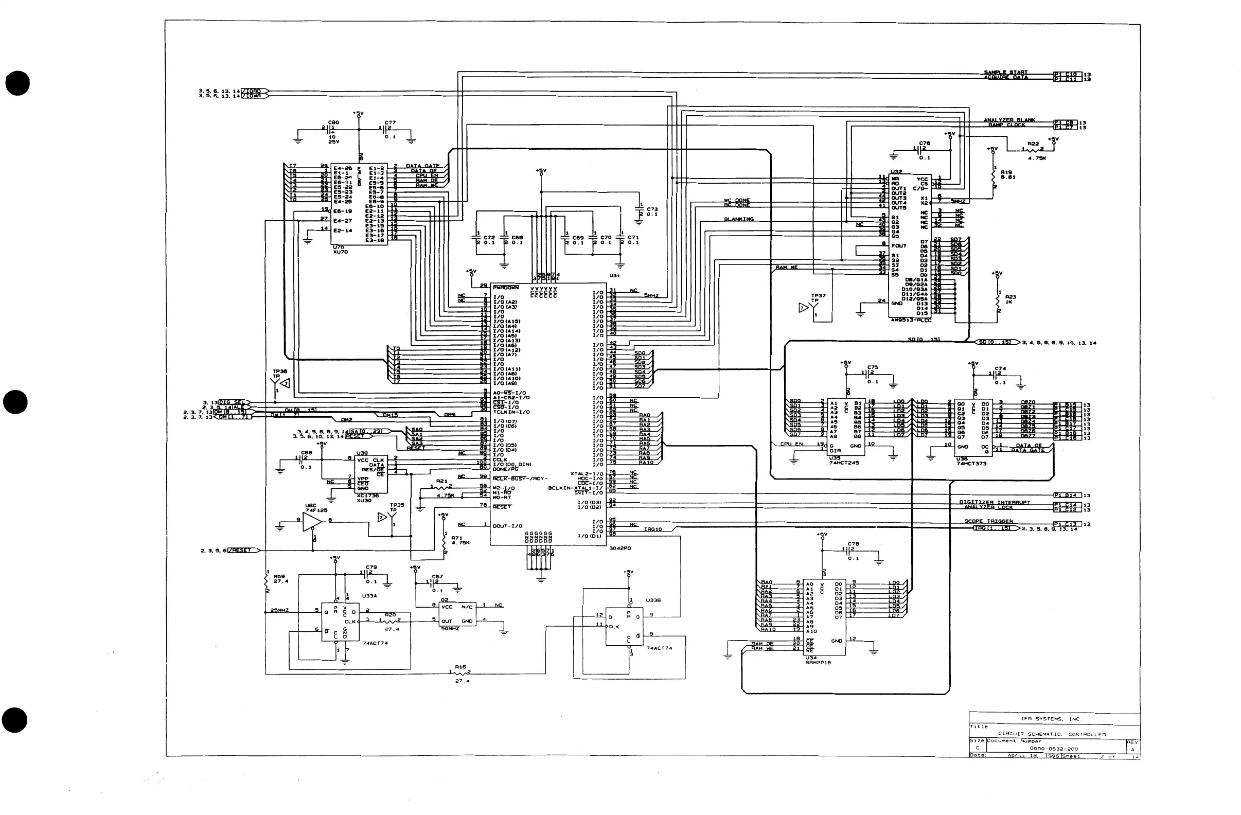
IFR
SYSTEMS,
INC.
CU~CUIT
SCHE~ATIC.
CQNrROLLER
0000-0632-200
REv
L
____
-
A
rlJ
18
1996
Sl"'eet
-"---"0"-'
____
-'-'\""-.:.
Scans by ArtekMedia © 2008

Other manuals for IFR COM-120B

Related product manuals