EasyManua.ls Logo

IFR COM-120B - Page 134

IFR COM-120B
182 pages
Print Icon
To Next Page IconTo Next Page
To Next Page IconTo Next Page
To Previous Page IconTo Previous Page
To Previous Page IconTo Previous Page
Loading...
r
A
e
~
Q
1
2
3
4
2 PLCS
19 PLCS
3 PLCS
5.50
:!::a8
5
L
F
...
-
DESIGN
RELEASE
RH
INC
FMY-047
RH
INC
FMY-084
RH
INC
FMY-073
RH
PROD.
REL
PER
ECN
15564
BP
INC
ECN
15769
BP
INC
ECN
16477
RH
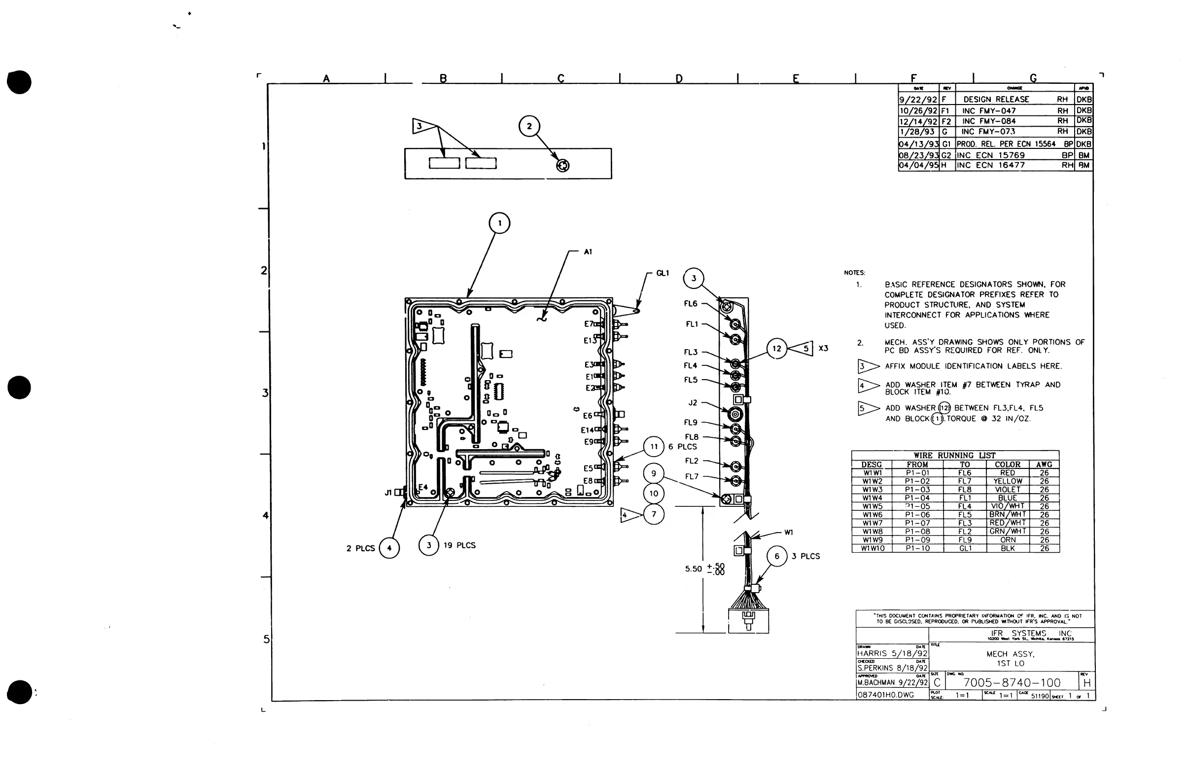
NOTES:
1.
BASIC
REFERENCE
DESIGNATORS
SHOWN.
FOR
COMPLETE
DESIGNATOR
PREFIXES
REFER
TO
PRODUCT
STRUCnJRE.
AND
SYSTEM
INTERCONNECT
FOR
APPLICATIONS
WHERE
USED.
-
OKS
8M
FiM
2.
MECH.
ASS'Y
DRAWING
SHOWS
ONLY PORTIONS
OF
PC
BD
ASSY'S
REOUIRED
FOR
REF.
ONl
Y.
[t:>
AFFIX
MODULE
IDENTIFICATION LABELS
HERE
.
f4--
AOD
WASHER
ITEM
(/1
BETWEEN
TYRAP
AND
~
BLOCK
ITEM
#10.
@::>
AOD
WASHERj2)
BETWEEN
Fl3,FL4,
FL5
AND
BLOCK{if.TOROUE @
32
IN/OZ.
WIRE
RUNNING UST
DESG
FROM
TO
COLOR
AWG
WI
WI
Pl-01
FL6
RED
26
W1W2
Pl-02
FL7
YELLOW
26
W1W3
Pl-03
FL8
VIOLET
26
W1W4
Pl-04
Fl1
BLUE
26
W1W5
~1-05
FL4
VIO/WHT
26
W1W6
Pl-06
FL5
BRN/WHT
26
W1W7
Pl-07
FL3
IRED/WHT
26
W1W8
Pl-08
FL2
GRN/WHT
26
W1W9
Pl-09
FL9
ORN
26
W1Wl0
Pl-l0
Gl1
BLK
26
·THIS OOCUIA[NT CONU.lNS PRoPRI[TARY INr(lRWATlQN
~
IFR,
..
c.
AND
13
NOT
TO
BE
CISCL:lSED,
REPRODUCED,
OR
PUBLISHED
WITHOUT
IFR'S APPROVAL."
DR".
DAlt n'lll.
HARRIS 5
18/92
IFR
SYSTEMS
INC;
10200
-.t
y
....
SL.
'acNe,
It.,....
'721$
MECH
ASSY.
1ST
LO
H
,
.J
Scans by ArtekMedia © 2008

Other manuals for IFR COM-120B

Related product manuals