EasyManua.ls Logo

IFR COM-120B - Page 144

IFR COM-120B
182 pages
Print Icon
To Next Page IconTo Next Page
To Next Page IconTo Next Page
To Previous Page IconTo Previous Page
To Previous Page IconTo Previous Page
Loading...
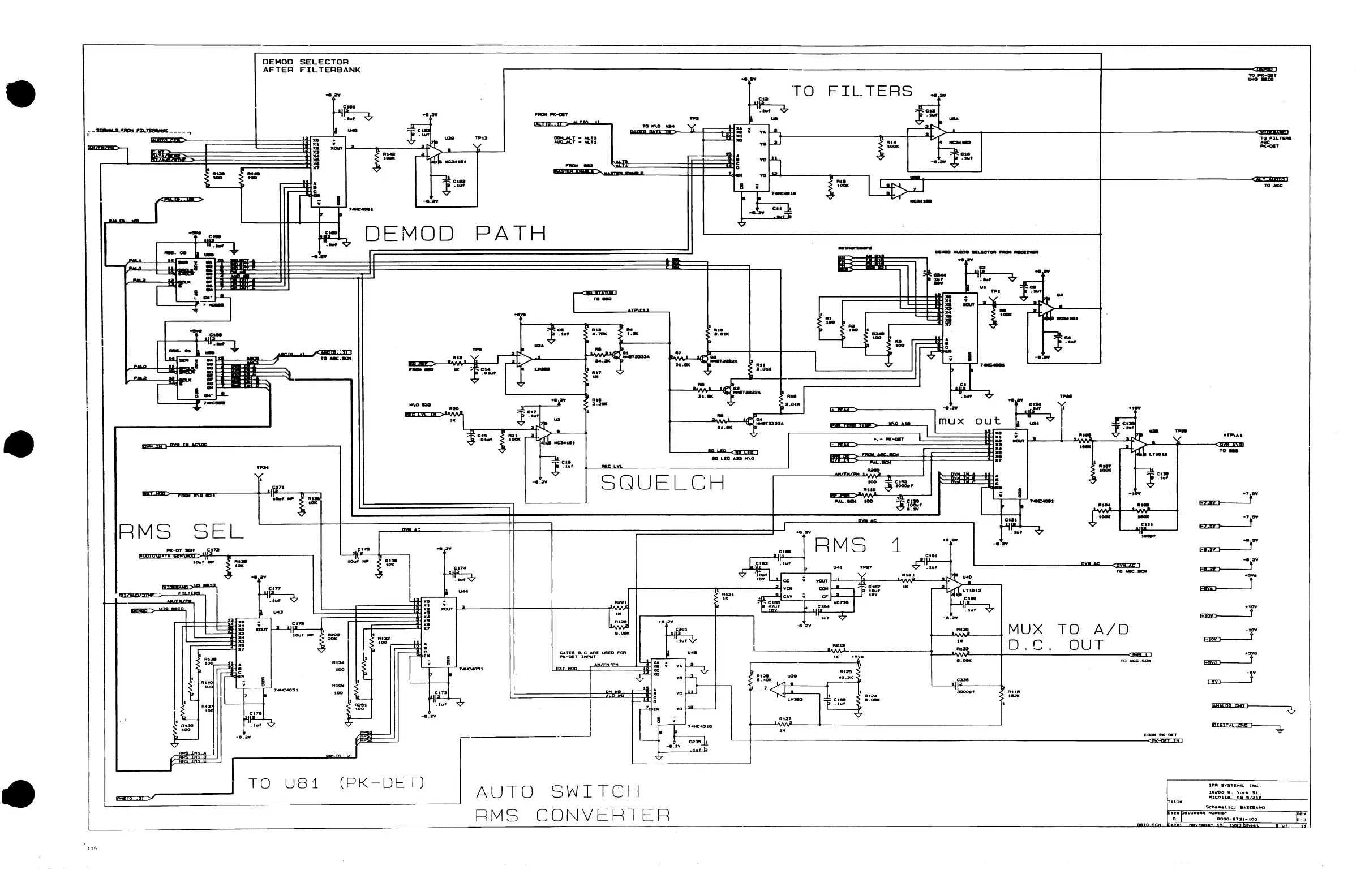
DE
MOD
SELECTOR
AFTER FILTERBANK
r
. -
-
....
-
,
I
••
..
~
.::
..
___
~1-.1
=
.....
---=1--
=
~
r
III'!
':'1-&-
-+'--
-
-
-
.-~
...
RMS
SEL
'~~
ja
~
J
I":::
ja
'"
I·:~
~~
IL-
"
.•
00
~r
-.~
..
,
'N'
r
TO
-U
IT
lLI...Ti--i-'._.
7..c40'lSt
~~
OEM
00
_
,.'IM
........
-
I
U81
(PK-DET)
IDil.AT
_
....
TO
........
T_
.....
TI
--
-
PATH
AUTO
SWITCH
RMS
CONVERTER
-
--1·'·
~.-
at
.•
~-
.'~.
....r
...
iii
.•
~-
~
-
....
--
l--~fL-----+
TO"':._
MUX
TO
A/O
O.C.
OUT
AI
••
.....
TO
AIiC.SDt
-
TD_
6
th
I
"t'
Hlf
-'r
aft
,
"t-
Hd'
--r
EDD
T
ElIIl!J
T
.....
~
~.
IAHgar;
GtII
iOICXUI!aiD
~
IFA
SYS'TEMS.,
INC.
~~=t.:
..
::,."
s~.;.
Scans by ArtekMedia © 2008

Other manuals for IFR COM-120B

Related product manuals