EasyManua.ls Logo

IFR COM-120B - Page 163

IFR COM-120B
182 pages
Print Icon
To Next Page IconTo Next Page
To Next Page IconTo Next Page
To Previous Page IconTo Previous Page
To Previous Page IconTo Previous Page
Loading...
r
2
3
4
5
6
7
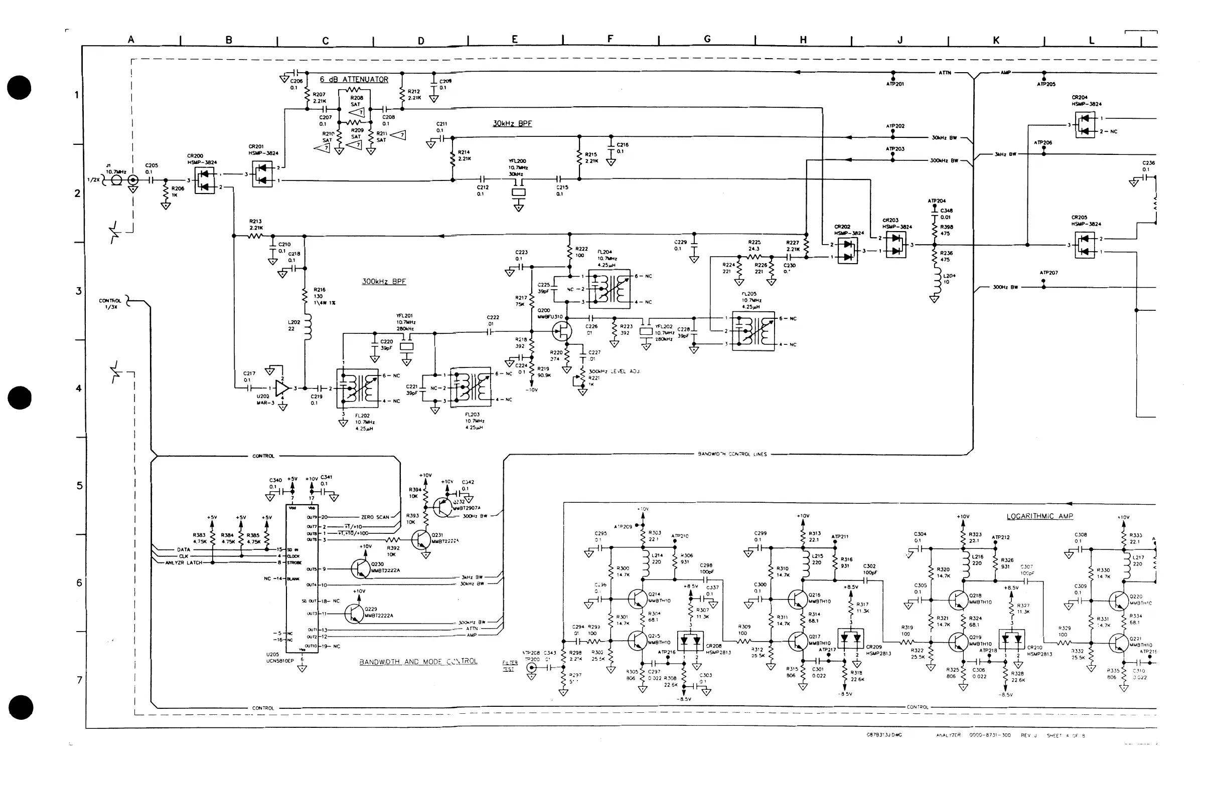
J1
A
I
I
1
I
I
I
l'D.7IoIHZ
I
'/2X
0
~
I
I
}---.J
CONlf<Ol
l/J'
~I
I
I
I
1
I
I
I
I
I
I
B
c
CR20,
D
C211
0.1
E
F G
H
30kHz
BPF
J
K
:
.....
:
..
TP2Dl
ATP~
..
TP206
JicHI
BW
300kHz
BW
~iI70~
~~~J824
___
JH~SAF_182:
R206 2 '
~V2"
------;;-~---------=+---------------
2.21K
Yft.2OO
R21S
T.
~'&
ATP202
_
__________________________________________
~-----J
lQ~
221K
\Z7
r----
~Zr-
______
--'
~.
BW
C212
~
1
~:;--e_-------------------------~~[==:=~
..
TP20J
lK
1U1J
2.21K
~
~~lD
C218
0.1
~
C217
~
01
2
r---l~J
U2D2
V.
"'R-J
"0/
C()HTROL
CJ-40
+~V
~..-t
7
-
R216
130
1\4W'%
+-10'1 C,3.i1
t-,0.'
17
r-w
-
300kHz
BPF
0.1
CJ
~~'5
~
C22J
0.1
~t-I
_--1.
"217
79<
R222
100
C229
D.l
ATP204
1 Cl4lI
CR202 CR20l
0.0'
r-----~
:'i'::it',
___
:~:----!t~::'~5:B-----t-------------l--------
L204
10
9"~OW,D-~
CON7"ROl
LI~ES
----------------------------------
/
JOOHz
BW
ATP207
:
l
CR204
HSIIP-J824
l~1
2-
NC
C236
0.1
~1
<
~,~
~
,~:
..
I
I
+5V
ClI19
20
+10V
LOGARITHMiC AMP
...
lOV
I
I
I
DATA
ClK
I
ANll'ZR
LA
TCH
I
I
I
I
I
I
I
I
I
I
L
am
0018
(I'"
.,....
OUT>
9
NC
-1
...-
our
..
10
)kHz
9W
JOkHz
aw
lB~NC
+10V
l'
0229
M~BT2222A
so
OUT
OUT)
oon
-5
Nt
-16
NC
:;
---=======.lOiJI<""~'"
~
~.m<
,-...;;::...._
I
19-
NC
--
AMP
OOT2
U205
UCN5fjl0EP
6
"0/
3ANDWIDTH ANC MOD'"
;,:\
T"OL
CONTROL
C295
A
rP210
ooe
1--1>----+--
!.
RJ26
931
':307
10Cp;
+B.SV
t
Rl27
( 113K
68_1
3
0219
[QJ
MY8TH10
ATP21S
(P210
---1
~
2 HS"'P281l
R325
(J06
9
806
'~
0022
RJ28
9"
n6K
.l,
TP21(
R335r'3~
806
~
'J
s:n
-8.5v
C873J')J
Dft'G
QOI)O-Snl-
3CO
REV J
Scans by ArtekMedia © 2008

Other manuals for IFR COM-120B

Related product manuals