EasyManua.ls Logo

Immergas Hydro 3 - Page 10

Immergas Hydro 3
Print Icon
To Next Page IconTo Next Page
To Next Page IconTo Next Page
To Previous Page IconTo Previous Page
To Previous Page IconTo Previous Page
Loading...
10
3
S2-1/2
S2-3/4
Compensazione Temp. amb.
in raffrescamento 0°
Compensazione Temp. amb.
in raffrescamento 1°
Compensazione Temp. amb.
in raffrescamento 2°
Compensazione Temp. amb.
in raffrescamento 3°
Compensazione Temp. amb.
in riscaldamento 3°
Compensazione Temp. amb.
in riscaldamento 1°
Compensazione Temp. amb.
in riscaldamento 6°
Compensazione Temp. amb.
in riscaldamento 8°
S2
ON
1 2 3 4
ON
1 2 3 4
ON
1 2 3 4
ON
1 2 3 4
ON
1 2 3 4
ON
1 2 3 4
ON
1 2 3 4
ON
1 2 3 4
S1-1
S1-2
S1-3
S1-4
RISERVATO
Funzione anti-ventata
fredda normale
Funzione anti-ventata
fredda rafforzata
S1
ON
1 2 3 4
ON
1 2 3 4
ON
1 2 3 4
ON
1 2 3 4
ON
1 2 3 4
ON
1 2 3 4
0
1
CN10
EYX
N L
BLUE
WHITE
BLUE
CN24
S3
1 2 3 4
ON
S2
1 2 3 4
ON
S1
1 2 3 4
ON
CN18
T2C T1
CN5
CN31 CN32
CN2
G/Y
G/Y
CN23
E
Y
X
CN21
G/Y
VENTOLA
M
M
CN28
CN1
TRANS IN
TRANS
CN27
21
ALLACCIAMENTO
ALIMENTAZIONE
BROWN
CN29
VALVE-C
CN7
BLACK
XT1
XT2
COMANDO ON/OFF DA HYDRO
XP4XS4
QUADRO DI COMANDO
IMPOSTAZ. PREDEF.
SW1
1 2
ON
ENC2
V1
BLACK
GRAY
XS5 XP5
XP2 XS2
T2C
XP3 XS3
T1
BROWN
BLUE
CN15
RISERVATO
S3
1
ON
2 3 4
RISERVATO
Senza circolazione per
DC FAN
SWING
rilevamento temp
Con circolazione per
rilevamento temp
DISPLAY
BOARD
POWER ACN
EARTH
CN3
ON/OFF
INGRESSO PER DISABILITAZIONE HYDRO
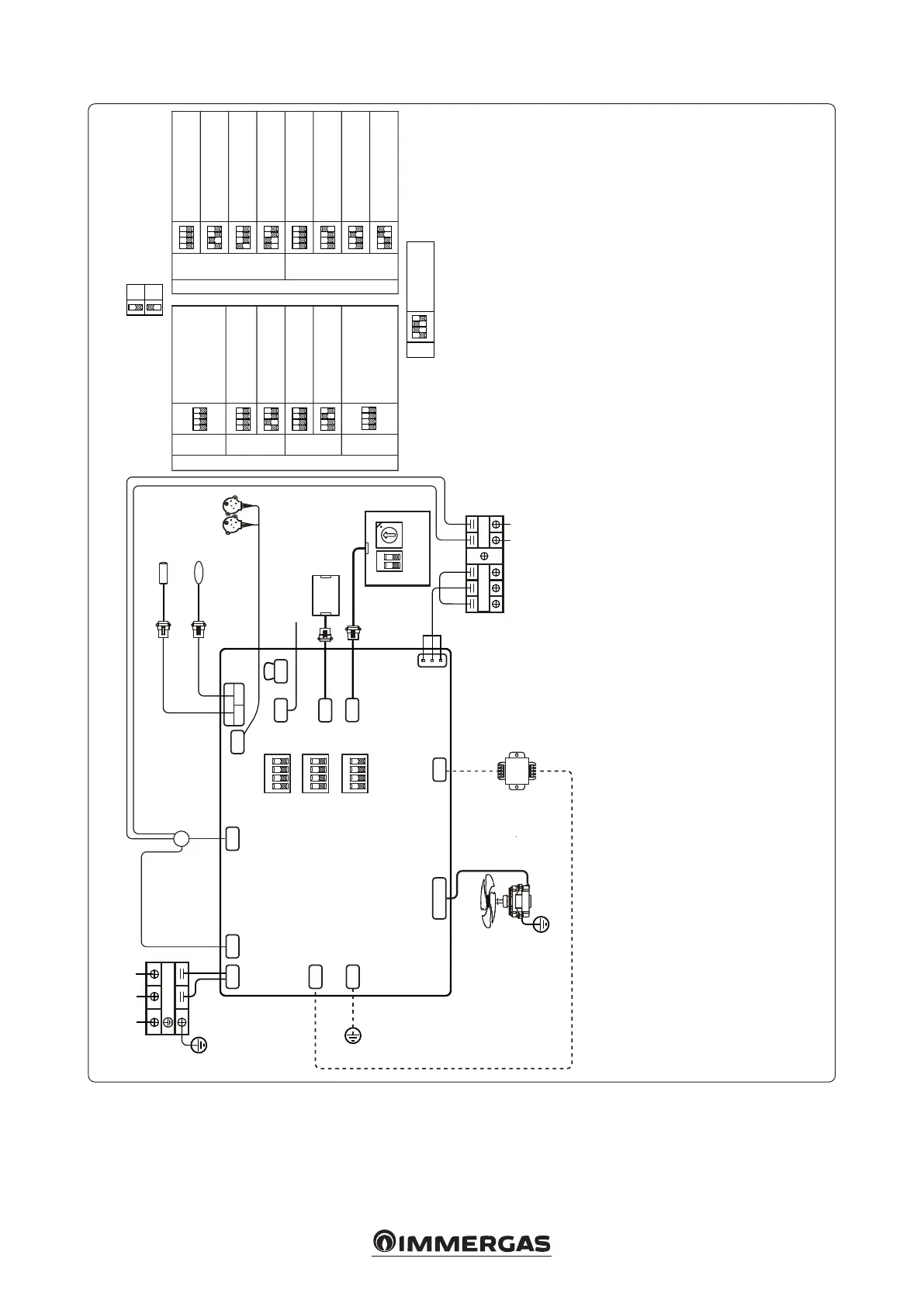
Legenda:
CN1-32 - Connettori scheda
DC FAN - Motore ventola
M - Motore alette
T1 - Temperatura ambiente
T2C - Temperatura acqua
XP 2-5 - Connettori
XS 2-5 - Connettori
XT1 - Morsettiera 3 poli
XT2 - Morsettiera 5 poli
Schema elettrico Ventilconvettore.
Circolazione per rilevamento temperatura
Se attivata consente di far circolare aria a bassa velocità ad
intervalli regolari per un controllo più preciso della tempe-
ratura ambiente.
Oset di temperatura per chiusura valvola
Consente di selezionare a quale temperatura sotto/sopra il
set point far chiudere la valvola a 2 vie.
Funzione anti-ventata fredda
Impedisce che l’unità resti accesa in modalità riscaldamento
quando la temperatura dell’acqua in ingresso è troppo fredda

Related product manuals