EasyManua.ls Logo

Imperial Systems CMAXX - Integrated Controls Wiring Diagram

Imperial Systems CMAXX
28 pages
Print Icon
To Next Page IconTo Next Page
To Next Page IconTo Next Page
To Previous Page IconTo Previous Page
To Previous Page IconTo Previous Page
Loading...
imperialsystemsinc.com 27 Imperial Systems Inc.
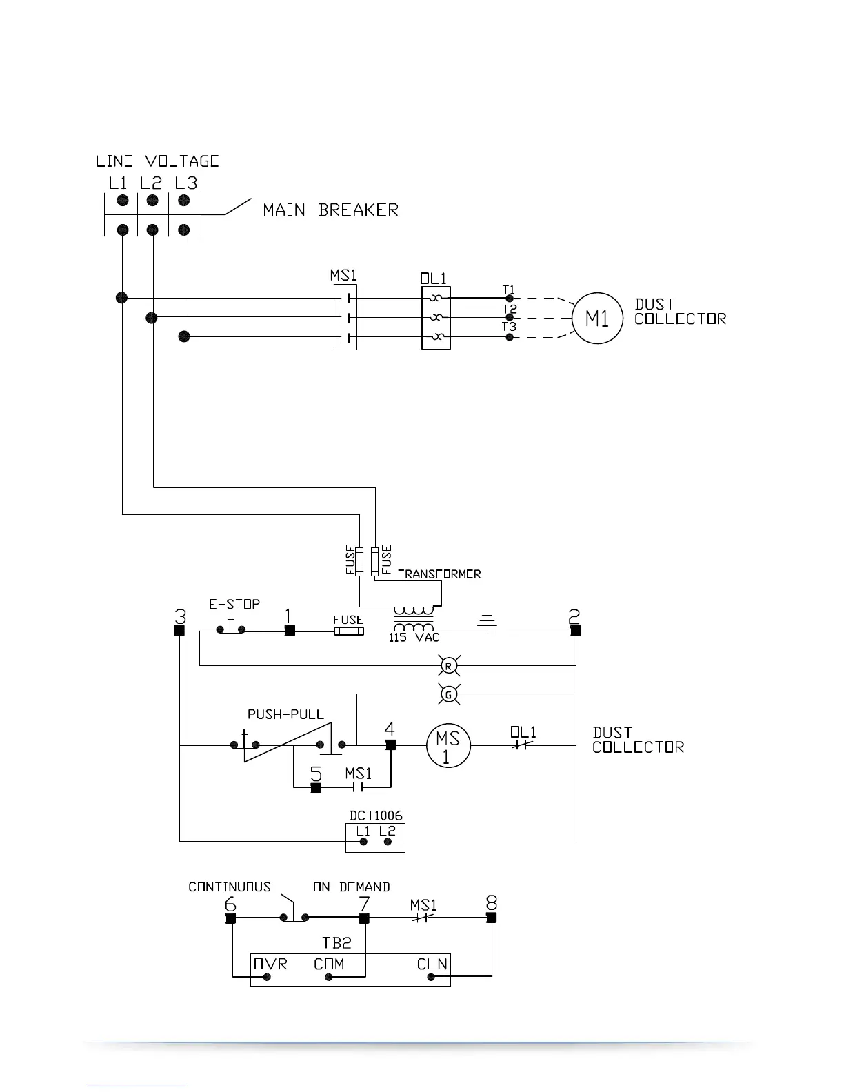
11.4 INTEGRATED CONTROLS WIRING DIAGRAM