EasyManua.ls Logo

Impex IGS-5100 - Bench Assembly - Step 4: Seat and Backrest Assembly

Impex IGS-5100
33 pages
Print Icon
To Next Page IconTo Next Page
To Next Page IconTo Next Page
To Previous Page IconTo Previous Page
To Previous Page IconTo Previous Page
Loading...
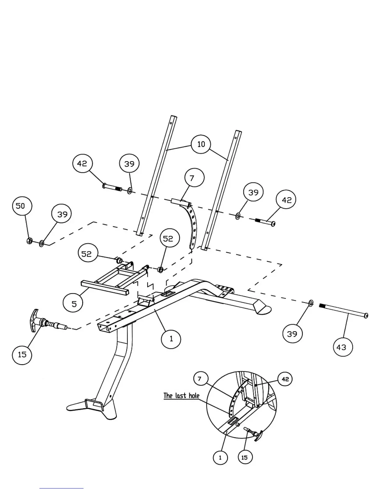
STEP 4 (See Diagram 4)
A.) Insert two Ø ½” Bushings (#52) into the holes on the Seat Bracket (#5) and align the holes to
the pivot on the Main Seat Support (#1).
B.) Attach the two Backrest Supports (#10) to the Seat Bracket and align the holes. Secure them
with a M10 x 7 ¼” Allen Bolt (#43), two Ø ¾” Washers (#39), and one M10 Aircraft Nut (#50). Do
not over tighten the Nut and Bolt. Make sure the Backrest Supports are able to swivel.
C.) Attach the Backrest Incline Support (#7) to the opening on the Main Seat Support. Use the T-
shaped Lock Pin (#15) to secure the Backrest Incline Support at the Last Hole on the end of
Support.
D.) Attach the other end of the Backrest Incline Support (#7) to the Backrest Supports (#10). Align
the holes and secure them with two M10 x 1 ¾” Allen Bolts (#42) and two Ø3/4” Washers (#39).
27

Related product manuals