EasyManua.ls Logo

Impex WM-1508 - Assembly Instructions: Step 5

Impex WM-1508
22 pages
Print Icon
To Next Page IconTo Next Page
To Next Page IconTo Next Page
To Previous Page IconTo Previous Page
To Previous Page IconTo Previous Page
Loading...
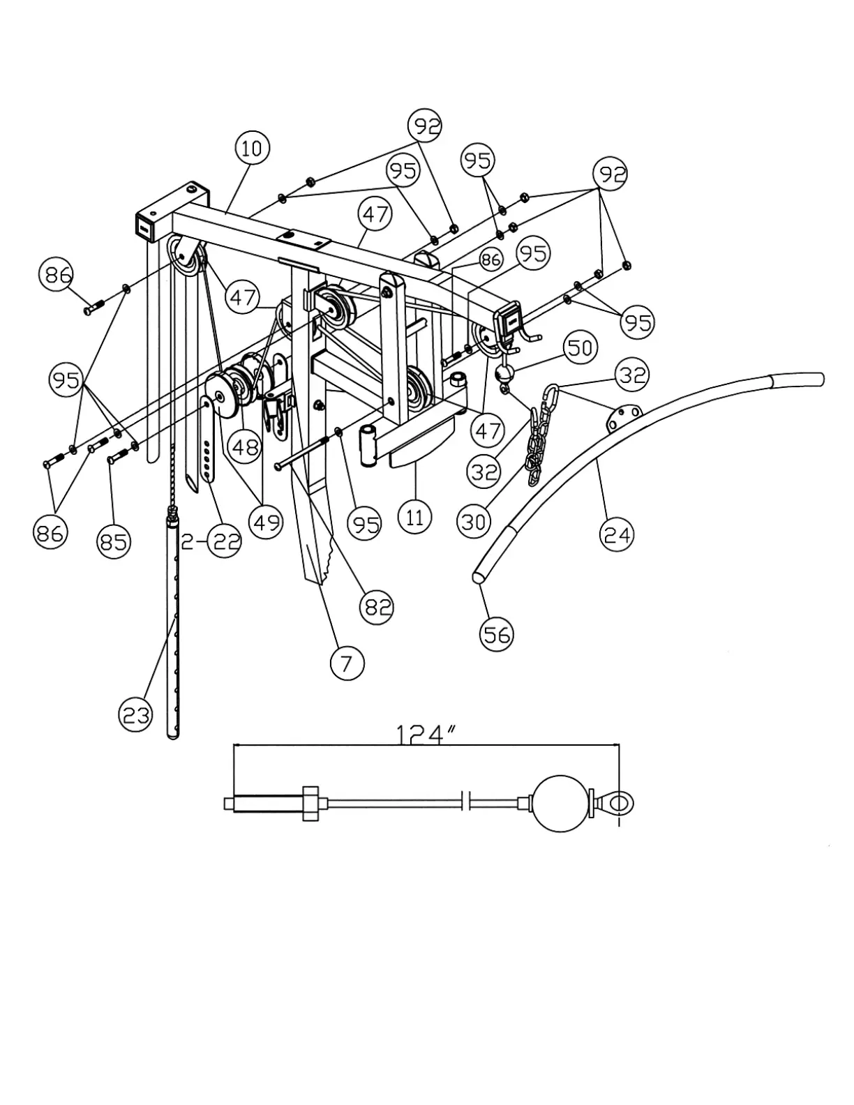
DIAGRAM 4
15

Related product manuals