EasyManua.ls Logo

Infinity 310a - Page 26

Infinity 310a
27 pages
Print Icon
To Next Page IconTo Next Page
To Next Page IconTo Next Page
To Previous Page IconTo Previous Page
To Previous Page IconTo Previous Page
Loading...
U102-A
1
3
2
NJM2068LD
+
-
R140
10KF
R241
10KF
R242
1K
R244
100K
RCA101-D
DJB-554A
D187
1SS133
R243
1K
R240
10KF
U102-B
1
3
2
NJM2068LD
+
-
4PTER4P
R199
56K
Q153
C3200GR
C157
100/63V
C102
22/16V
R163
1.5K
Q156
C3200GR
R156
680
R171
22KF
D152
1SS133
D151
1SS133
C156
473P
Q171
C1027Y
R172
120
Q155
A1268GR
Q154
A1268GR
R153
1K
C153
102P
C154
473P
C155
100/63V
Q161
A1268GR
Q199
C3198GR
Q198
C3198GR
Q162
A1268GR
Q172
C3200GR
R162
47
D161
1SS133
D911
1N4744
D160
1SS133
R161
1.5K
R160
22K
C160
100P
R173
820
C163
1/50V
Q163
C1027Y
Q164
C1027Y
Q165
C1027Y
Q173
A1023Y
Q174
A1023Y
Q175
A1023Y
C175
270P
C165
270P
R166
560
R167
560
R168
560
Q180
TIP35C
Q181
TIP35C
Q182
TIP35C
Q190
TIP36C
Q191
TIP36C
Q192
TIP36C
R180
10
R190
10
R191
10
R192
10
R181
10
R182
10
R183
0.1/3W
R193
0.1/3W
R184
0.1/3W
R194
0.1/3W
R185
0.1/3W
R195
0.1/3W
VEE
R158 39KF
C187
100P
C158
47P
Q187
C3200GR
R921
220/2W
R157
910F
Q151
J108
C159
100/16V
VEE1
R151
10K
C151
2.2/50V
VCC1
R198
680/2W
C197
104(M)"100V"
R197
4.7/0.5W
C103
22/16V
R196
4.7/0.5W
IN_PUT
R175
10/0.5W
R165
10/0.5W
R102
47KF
R101
22KF
C104
10P
R103
47KF
R186
1.5K
U101-A
1
2
3
NJM2068LD
-
+
R106
47KF
IN_PUT
C210
47/16V
R209
100
VR101
20KB
C912
104P
C108
470P
C913
330/16V
C208
4.7KF
R108
4.7KF
U103-A
1
2
3
NJM2068LD
-
+
R107
9.4KF
R143
1K
C150
2.2/50V
R207
9.4KF
C202
22/16V
C203
22/16V
R202
47KF
R201
22KF
C204
10P
R203
47KF
R230
200K
R229
1.8K
R911
220/2W
VR104
B500
R187
15K
D921
1N4744
RCA101-C
DJB554A
R150
5.6KF
R152
22KF
C227
474(M)
R144
100K
R227
820
VR103-A
A2K
C228
184(M)
R228
56K
U101-B
7
6
5
NJM2068LD
-
+
U104-B
1
3
2
NJM2068LD
+
-
R210
240F
R164
100/0.5W
R212
560F
C211 102P
C911
330/16V
C921
330/16V
U104-A
7
5
6
NJM2068LD
+
-
-15V
R142
1K
C201
10/16V
RCA101-B
DJB-554A
R205
47KF
VR102-A
50KC
R226
5.6K
C152
68P
R206
47KF
R224
10K
R225
5.6K
R219
10K
C219
4.7/50V
MOD01
VCC
L196
CL-200C
R222
150
C922
104P
C101
10/16V
R141
10KF
R214
510F
R215
30K
C182
220P
C181
220P
C180
220P
PROTECTION
CLIP
R169
100K
R223
X
C923
330/16V
C241
22P
C141
22P
D169
1SS133
C206
22P
C205
22P
C106
22P
R216
15K
C105
22P
Q219
C3198GR
R213
10KF
U103-B
7
5
6
NJM2068LD
+
-
R149
100K
C243
4.7/50V
U105
NJM13600
R220
15K
R100
2K
C223
47/16V
R174
100/0.5W
C220
1/50V
R221
150K
R217
510
VR102-B
50KC
R218
10K
RCA101-A
DJB-554A
VR100
20KB
C212
47/16V
+15V
R211 10KF
Q152
C3200GR
C226
683(M)
C225
823(M)
C143
4.7/50V
R250
15K
VR103-B
A200K
C199
100/16V
U106-A
1
3
2
NJM2068LD
+
-
R105
47KF
C
2004.08.11
2004.08.11
2004.08.11
2004.08.10
C101,201 102P->10/16VCL 1-40240A
2
2
2
2004.06.29
R227 1.5K->820 R228 100K->56K
R210 820F->240F R212 2KF->560F
CL 1-40201B1
11
1
1
CLS-AP-4008
311a
08
HCG
32
DIGITAL
CHUNG LAM
REMOTE CONTROL
20~40Hz,0~+12dB
DBO
L-OUT
32Hz-320Hz/12dB oct LPF
LOW INPUT L-CH
LOW INPUT R-CH
MUTE
OUTPUT
R-OUT
-
-
+
+
16 15 14 13 12 11
12
10 9
876543
25
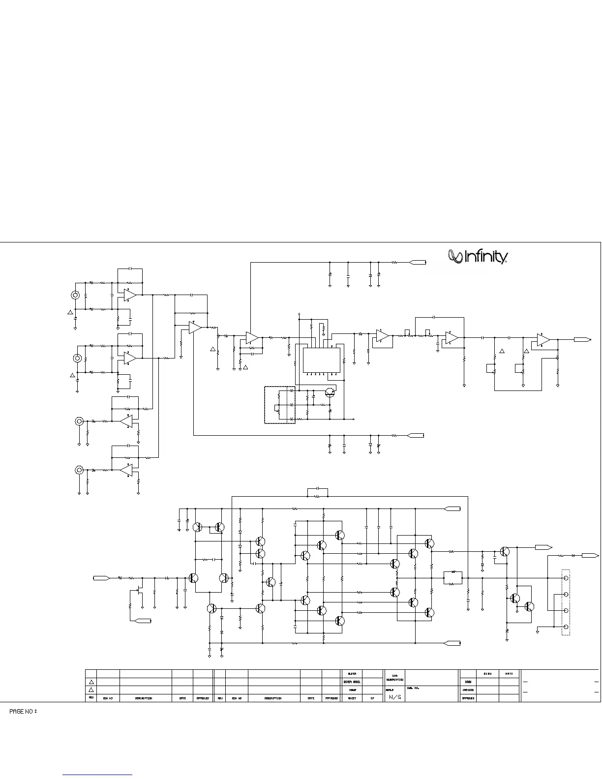
Reference 310a/311a
Power Amplifier

Related product manuals