EasyManua.ls Logo

Infinity 310a - Power Amplifier

Infinity 310a
27 pages
Print Icon
To Next Page IconTo Next Page
To Next Page IconTo Next Page
To Previous Page IconTo Previous Page
To Previous Page IconTo Previous Page
Loading...
C67
47/50V
C57
47/50V
VEE1
VCC1
D54 FR154
D52 FR154
D53 FR154
D51 FR154
GND
DC12V
Q82
J108
R21
24K
R25
68K
Q55
FQP50N06
Q54
FQP50N06
T01
37PHI
C31
105(M)"TL"
R91
22K
R92
1K
R01
4.7K
Q01
A1023Y
R02
4.7K
Q02
C3198GR
R05
8.2K
R62
4.7KF
R04
56K
C05
2200/25V"WL"
C04
2200/25V"WL"
C03
104P
Q90
C3198GR
C61
470/63V
C51
470/63V
DC12V
L02
CL-500
L01
CL-500
D02
1N4004
TH01
50KTH
R11
4.7K
R12
3.9K
C11
100/16V
Q11
A1266GR
Q12
A1266GR
Q21
C3198BL
C01
X
C06
10/16V
R13
10K
R14
10K
C12
100/16V
D11
1SS133
R16
910
R31
1K
R32
22K
C15
10/25V
R33
33K
Q22
A1268GR
R34
15K
C16
47/25V
R35
15K
U01
TL494CN
R90
47K
C21
102(M)
R22
24K
C13
100/16V
C14
47/16V
R03
10/0.5W
R51
220/0.5W
Q33
A1266GR
D03
1SS133
Q23
A1266GR
R53
47
R43
47
D04
1SS133
R41
220/0.5W
D01
1N5404
L03
CL-300
FH01
30A
C60
104P
Q43
FQP50N06
Q53
FQP50N06
R60
10.5KF
C801
473P
W04
100m/m
W03
60m/m
W02
60m/m
C37
102P
C36
105(M)"TL"
D41
YG225D2
D42
YG225D2
C52
3300/63V"HC"
C62
3300/63V"HC"
D80
1SS133
C82
22P
D81
1SS133
R80
220K
R81
10K
W01
X
C32
105(M)"TL"
R61
10K
R15
10
PRT-LED
C08
222(M)"100V"
R30
100/2W
R55
47
R54
47
R45
47
R44
47
C83
10/50V
R63
430K
C35
104(M)
Q45
FQP50N06
Q44
FQP50N06
C63
473P
C53
473P
C33
473P
C22
104P
PROTECTION
R52
1K
R42
1K
REM
VEE
VCC
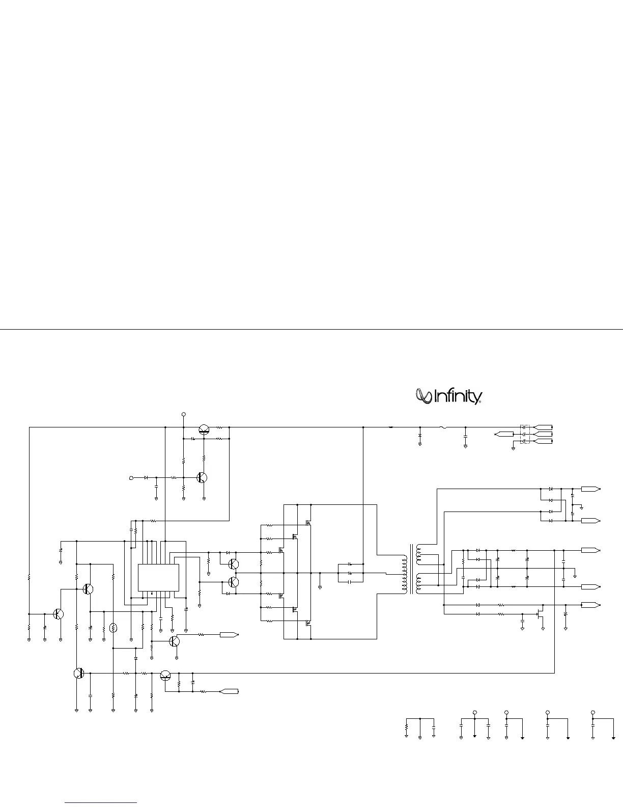
CLS-AP-4008
A
311a
2004.03.09
2004.03.09
2004.03.09
07
HCG
3
DIGITAL
CHUNG LAM
1
B+SW
TER01
MUTE
TERMINAL 3P
16 15 14 13 12 11 10 9
87654321
REM
(0.7X9:0.7X4:0.7X1:0.7X1)
5T:17T:10T:10T
24
Reference 310a/311a
Power Amplifier

Related product manuals