EasyManua.ls Logo

Infinity 5760a - Page 30

Infinity 5760a
33 pages
Print Icon
To Next Page IconTo Next Page
To Next Page IconTo Next Page
To Previous Page IconTo Previous Page
To Previous Page IconTo Previous Page
Loading...

29
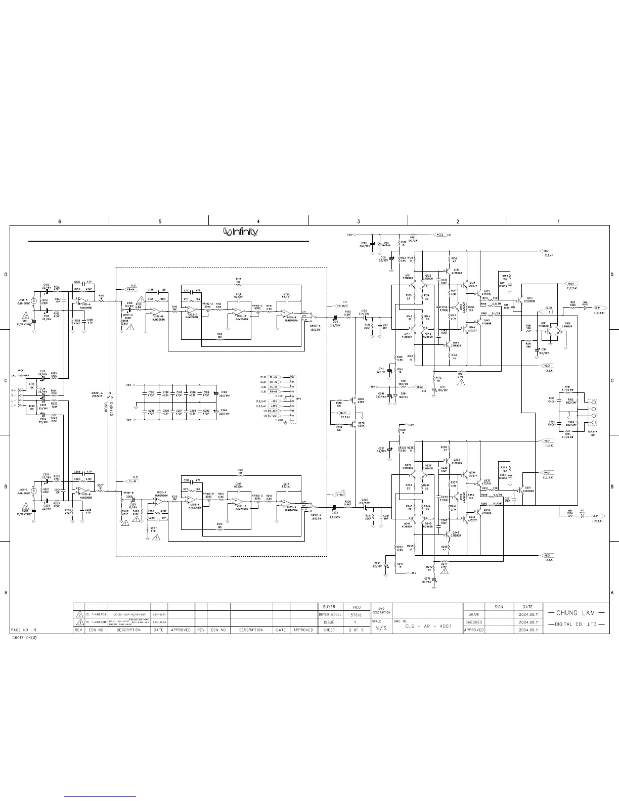
Power Amplifier Reference 5761a
PAGE 2

Related product manuals