EasyManua.ls Logo

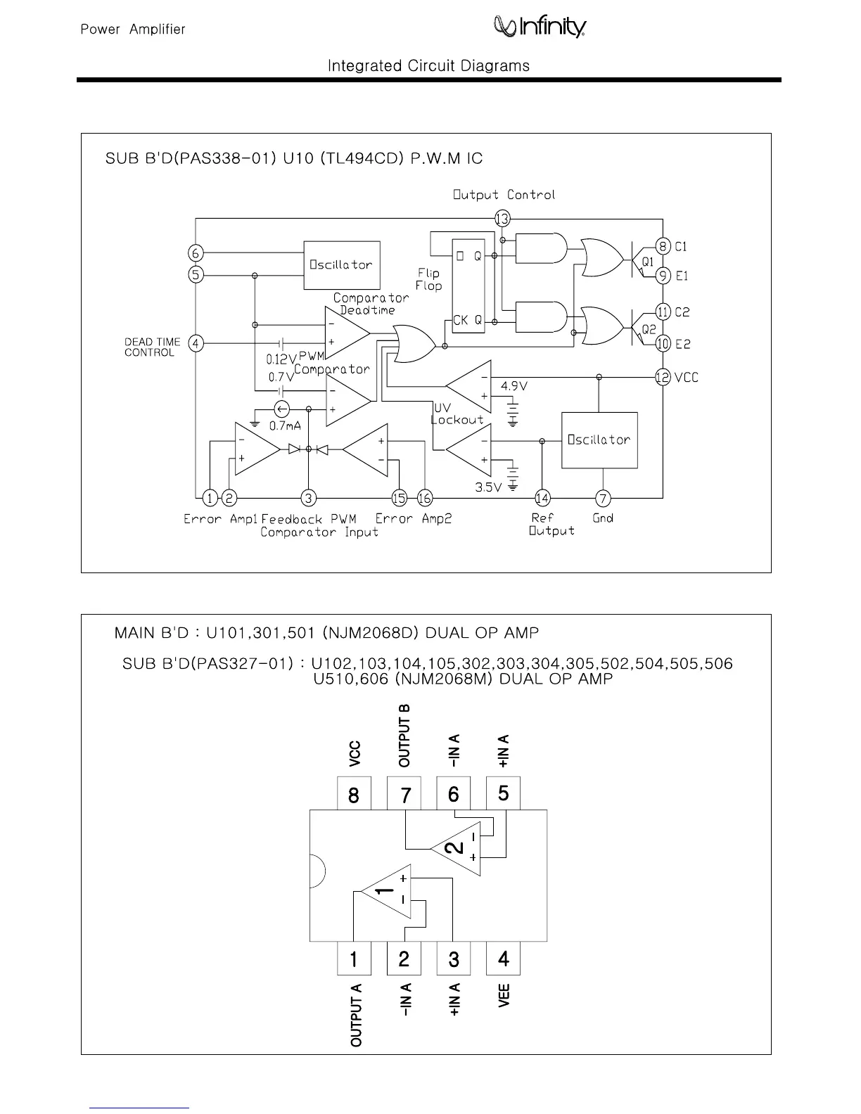
Infinity 5760a - REF 5761 A ELECTRICAL PARTS LIST ADDENDUM IC;TRANSISTOR PINOUTS

Infinity 5760a
33 pages
Print Icon
To Next Page IconTo Next Page
To Next Page IconTo Next Page
To Previous Page IconTo Previous Page
To Previous Page IconTo Previous Page
Loading...
Reference 5760a/5761a
21

Related product manuals