EasyManua.ls Logo

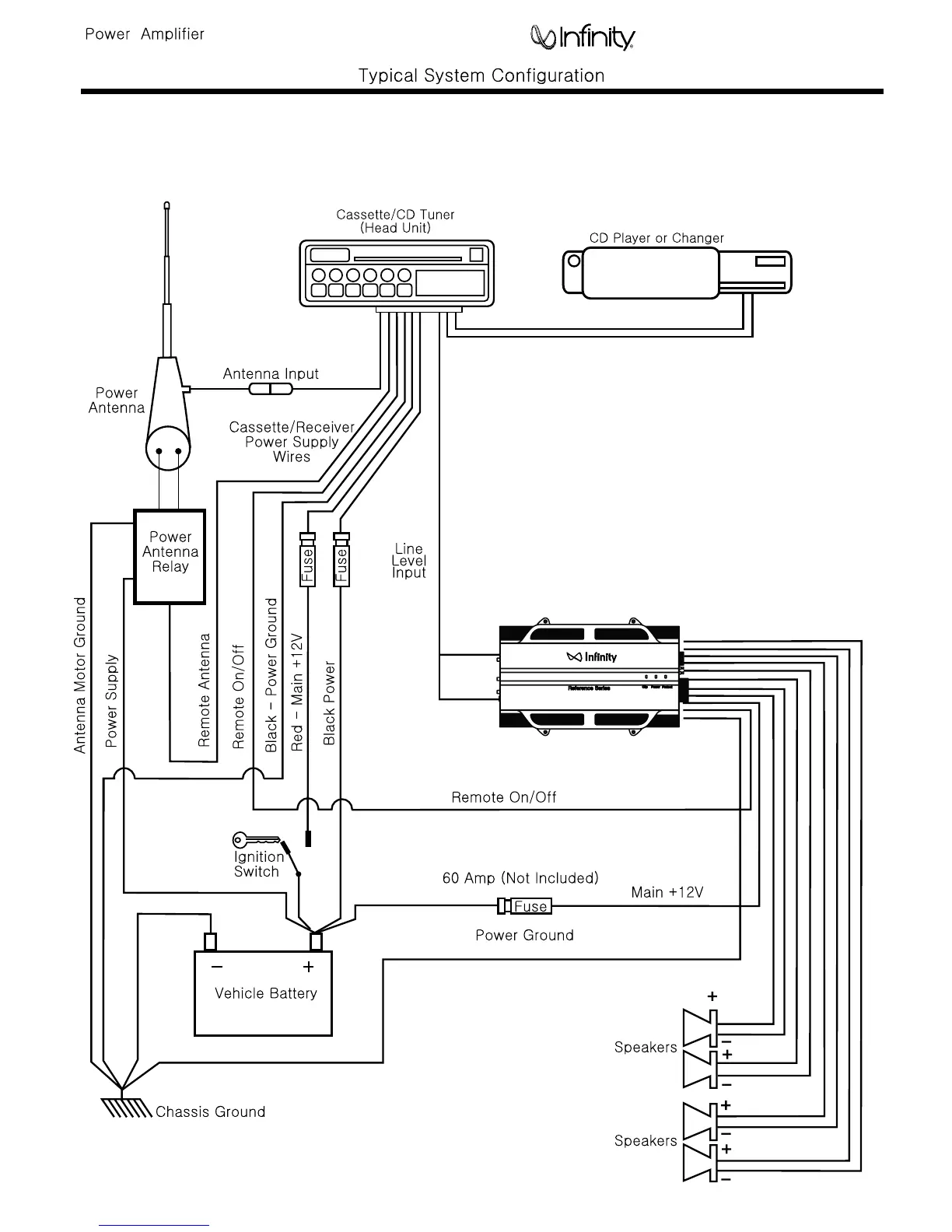
Infinity 5760a - Typical System Wiring

Infinity 5760a
33 pages
Print Icon
To Next Page IconTo Next Page
To Next Page IconTo Next Page
To Previous Page IconTo Previous Page
To Previous Page IconTo Previous Page
Loading...
Reference 5760a/5761a
8

Related product manuals